EasyManua.ls Logo

Faraday 15220A - Page 62

Default Icon
66 pages
Print Icon
To Next Page IconTo Next Page
To Next Page IconTo Next Page
To Previous Page IconTo Previous Page
To Previous Page IconTo Previous Page
Loading...
III- 47
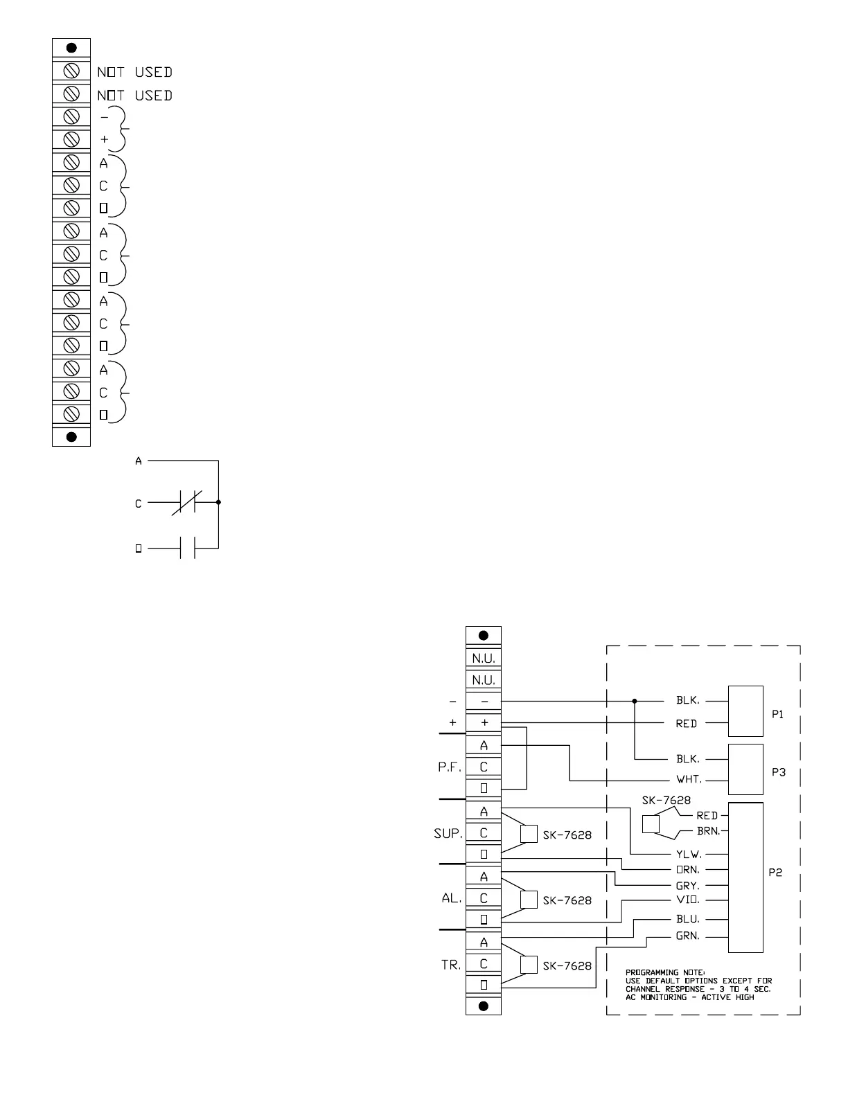
Power Failure Contacts for a power limited source
Rated 1A. @ 28VDC. Resistive
Not Supervised by Control Unit
Form "C" contact configuration (contacts shown in
normal standby condition: transfer for operated
condition).
NOTES:
1.) Units to be installed in accordance with the
National Electrical Code and / or local
electrical codes.
2.) Terminal block will accept a maximum of
#14 AWG wiring or .260" spade terminals.
Terminal block screw size is #6-32.
3.) Maximum power output from the resettable
and non resettable power output is.3 Amps.
Power output is not supervised, special
application.
FARADAY DC-100/101
NOTE:
Wiring for DC-101 must be enclosed in
conduit and may not exceed 20 feet.
Trouble Contacts for a power limited source
Rated 1A. @ 28VDC. Resistive
Not Supervised by Control Unit
Alarm Contacts for a power limited source
Rated 1A. @ 28VDC. Resistive
Not Supervised by Control Unit
Supervisory Contacts for a power limited source
Rated 1A.@ 28VDC. Resistive
Not Supervised by Control Unit
Non Resetable Power Output,.3Amp Max.
Power Limited See Note 3
Not Supervised by Control Unit
firealarmresources.com

Related product manuals