EasyManua.ls Logo

Fassi F 170A.23 - Page 49

Default Icon
70 pages
Print Icon
To Next Page IconTo Next Page
To Next Page IconTo Next Page
To Previous Page IconTo Previous Page
To Previous Page IconTo Previous Page
Loading...
S0
HYDRAULIC SCHEMATICS
FOR CRANE
F 170A
49
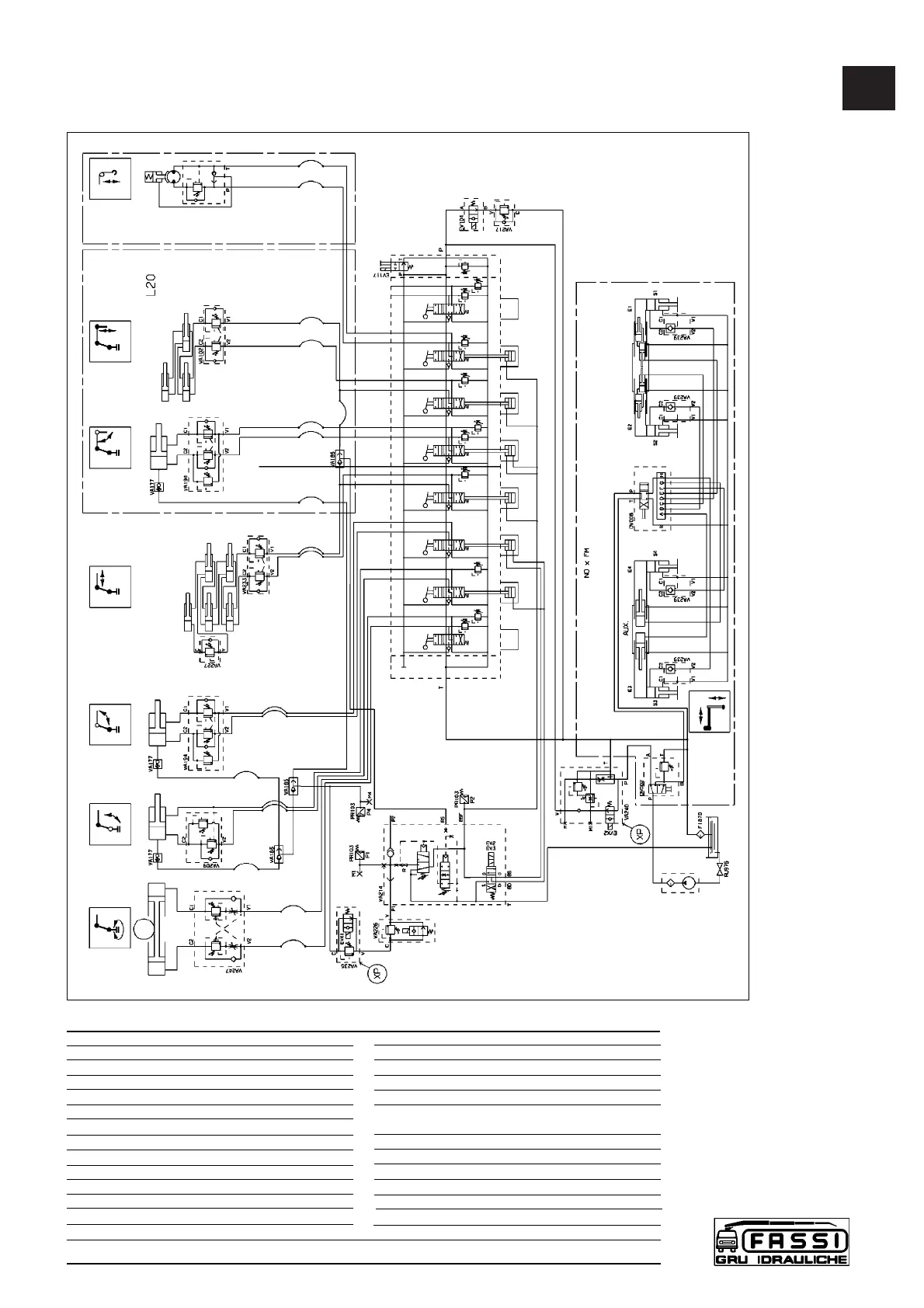
Hydraulic schematic for crane - HCD4 distributor - top seat controls - lifting moment
limiting device “intelligent type”
CODE DESCRIPTION
DV002 DEVIATOR
DV008 DEVIATOR
EV104 ELECTROVALVE
EV117 ELECTROVALVE
FI870 FILTER
M1/M4 GAUGE QUICK CONNECTION
PR103 PRESSURE SWITCH
RU975 FAUCET
VA102 DOUBLE EFFECT BLOCK VALVE
VA175 BLOCK VALVE + FAUCET
VA177 ANTIBURST VALVE FOR LIFTING RAMS
VA185 SELECTOR VALVE
VA187 BLOCK VALVE + FAUCET
VA194 DOUBLE EFFECT BLOCK VALVE
VA209 SIMPLE EFFECT BLOCK VALVE
VA214 LIFTING MOMENT LIMITING DEVICE VALVE
VA217 SEQUENCE VALVE
VA222 OIL FLOW REGULATOR VALVE FOR ROTATION
CYLINDER
VA226 ELECTRIC MAIN WITH BY PASS VALVE
VA227 SEQUENCE VALVE
VA232 DOUBLE EFFECT BLOCK VALVE
XP
VA235 ELECTRIC MAIN WITH BY PASS VALVE
VA240 "XP" VALVE

Related product manuals