EasyManua.ls Logo

Fassi F 170A.23 - Page 63

Default Icon
70 pages
Print Icon
To Next Page IconTo Next Page
To Next Page IconTo Next Page
To Previous Page IconTo Previous Page
To Previous Page IconTo Previous Page
Loading...
T1
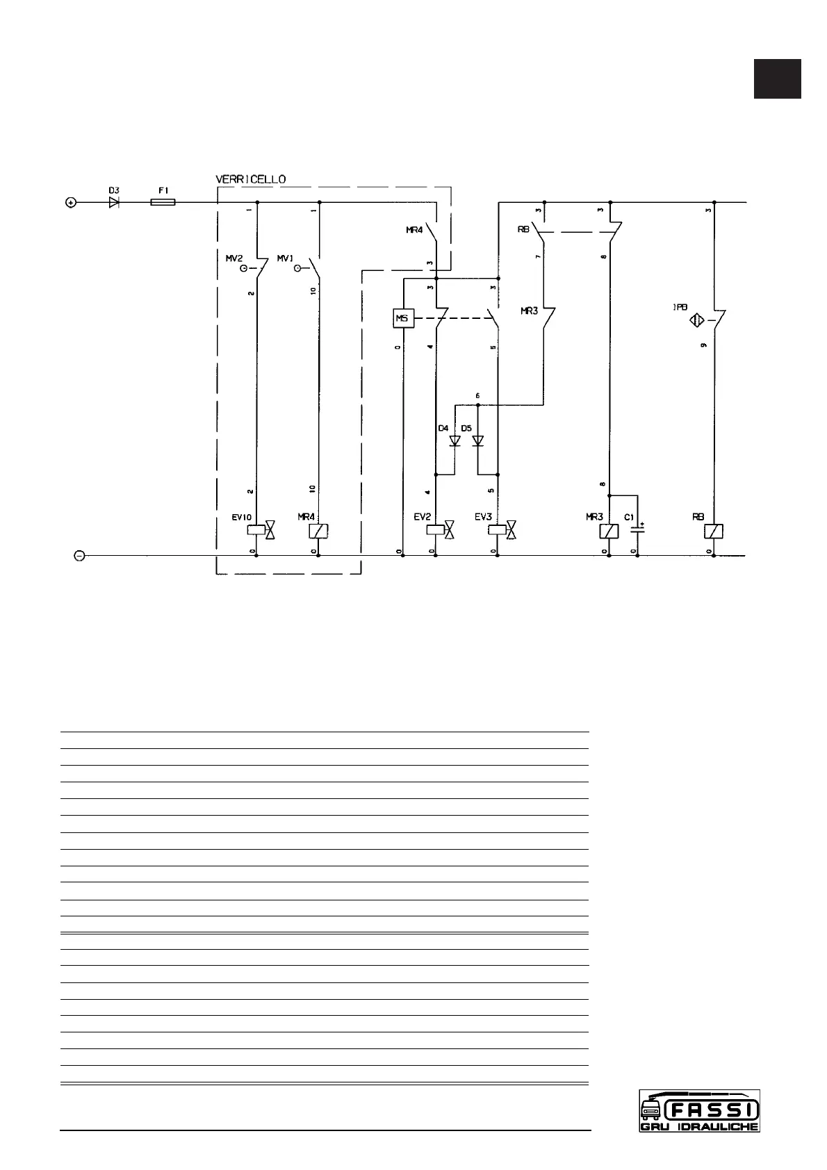
ELECTRIC SCHEMATICS
FOR CRANE
F 170A
63
CODE DESCRIPTION
ALIM FEED MAIN CONTROL PANEL
C1 BLOCK DELAY CONDENSOR
D3 POLARITY PROTECTION DIODE
EV2 ELECTROVALVE FOR CRANE LIFTING BLOCK
EV3 ELECTROVALVE FOR CRANE DESCENTS BLOCK
F1 PROTECTION FUSE 5A
IPB PROXIMITY SENSOR VALVE
MR3 RELAY FOR BLOCK DELAY
MS MERCURY SLOPE SENSOR ON OUTER BOOM
RADIO CABLE FOR REMOTE CONTROL CONNECTION
RB LMLD BLOCK SIGNAL RELAY
WINCH
AR1 CRANE WINDING
EV9 WINCH DESCENT BLOCK ELECTROVALVE
MR4 WINCH RELAY
MV1 PULLEY MICRO WINCH
MV2 DRUM MICRO WINCH
S1 PIN + PLUG FOR WINCH END STROKE
SDV WINCH PROXIMITY SHUNT BOX
T1 ELECTRIC SCHEMATICS FOR CRANE
Electric schematic for crane - Danfoss distributor - free rotation

Related product manuals