EasyManua.ls Logo

Febco 825YA - Exploded View Models 825 D and 825 YD

Febco 825YA
34 pages
Print Icon
To Next Page IconTo Next Page
To Next Page IconTo Next Page
To Previous Page IconTo Previous Page
To Previous Page IconTo Previous Page
Loading...
23
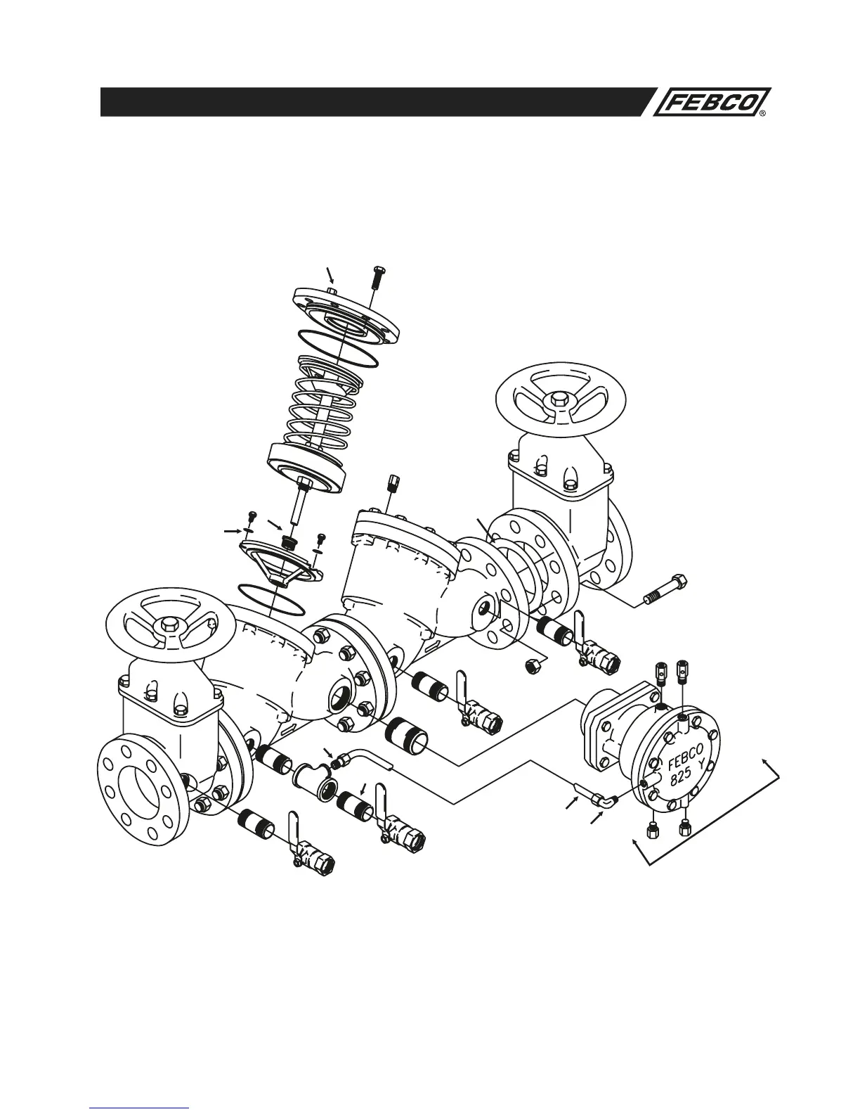
MAINTENANCE MANUAL MODELS 825Y, 825YA, 825, 825D, 825YD & 826YD
Model 825D and 825YD (2
1
/2–10")
Figure No. 14
42*
1, 1A
2C
50
2A
2D
2
12*
50
13*
14*
4
16
42A*
17*
17A
39
43A*
41A*
41B*
41A*
41*
40*
44*
43*
121
Relief Valve for Model
825YD
(see Figure No.18 on page
26 for exploded view)
* Denotes Commercial Parts Available (see page 31-33).
Some parts are sold in kits only. Consult Parts Price List for specifics.

Related product manuals