EasyManua.ls Logo

Fedders AFPB24B1 - Wiring Diagram and Power Supply; Wiring Diagram Overview; Power Supply Table

Fedders AFPB24B1
16 pages
Print Icon
To Next Page IconTo Next Page
To Next Page IconTo Next Page
To Previous Page IconTo Previous Page
To Previous Page IconTo Previous Page
Loading...
9
POWER SUPPLY TABLE
SINGLE CIRCUIT SUPPLY DUAL CIRCUIT SUPPLY
kW
Phase
No. of
MBTUH
Heat
Min. Max. Wire Ground Min. Wire Max. Fuse Wire Size Ground Size
230 Supply 208/230 Load Wire Fuse Size Size Ampacity Size Ckt1 Ckt2 Ckt3 Ckt1 Ckt2 Ckt3
VAC Circuits Amps Ampacity Size AWG MM
2
0 1 1 - - 5.0 15 14 2.1
5* 1 1 12.6 / 17.1 20.9 30 30 10 5.3
10* 1 1 25.6 / 34.1 41.7 57 60 6 13.3
15* 1 1 or 2 38.4 / 51.2 62.5 83 90 4 21.2
20* 1 1 or 2 51.2 / 68.2 83.4 109 110 2 33.6
AWG MM
2
Ckt1 Ckt2 Ckt3 Ckt1 Ckt2 Ckt3 AWG MM
2
AWG MM
2
AWG MM
2
AWG MM
2
AWG MM
2
AWG MM
2
14 2.1
10 5.3
10
5.3
––
8 8.4 57 26 60 30 6 13.3 10 5.3 10 5.3 10 5.3
6 13.3 57 53 60 60 6 13.3 6 13.3 10 5.3 10 5.3
*kW does not include motor watts.
Ampacities and over current protection based on largest air handler motor load. Refer to specific name plate for exact ampacity and overcurrent protection size.
Minimum wire ampacity values are used for sizing field power conductors. Refer to the National Electrical Code (latest version), Article 310, for sizing conductors. When more than three current-carrying
conductors are in the same conduit, the conductor’s ampacity MUST be derated. See Note 8 of Table 310 for ampacity adjustment factors.
Maximum size fuse or HACR-type circuit breaker for field wiring protection.
Wire size based on 75°C copper wire with no more than three current-carrying conductors in the same conduit. All wiring MUST conform to the National Electrical Code and all local codes.
1
1
1
1
1
1
1
1
1
1
1
1112
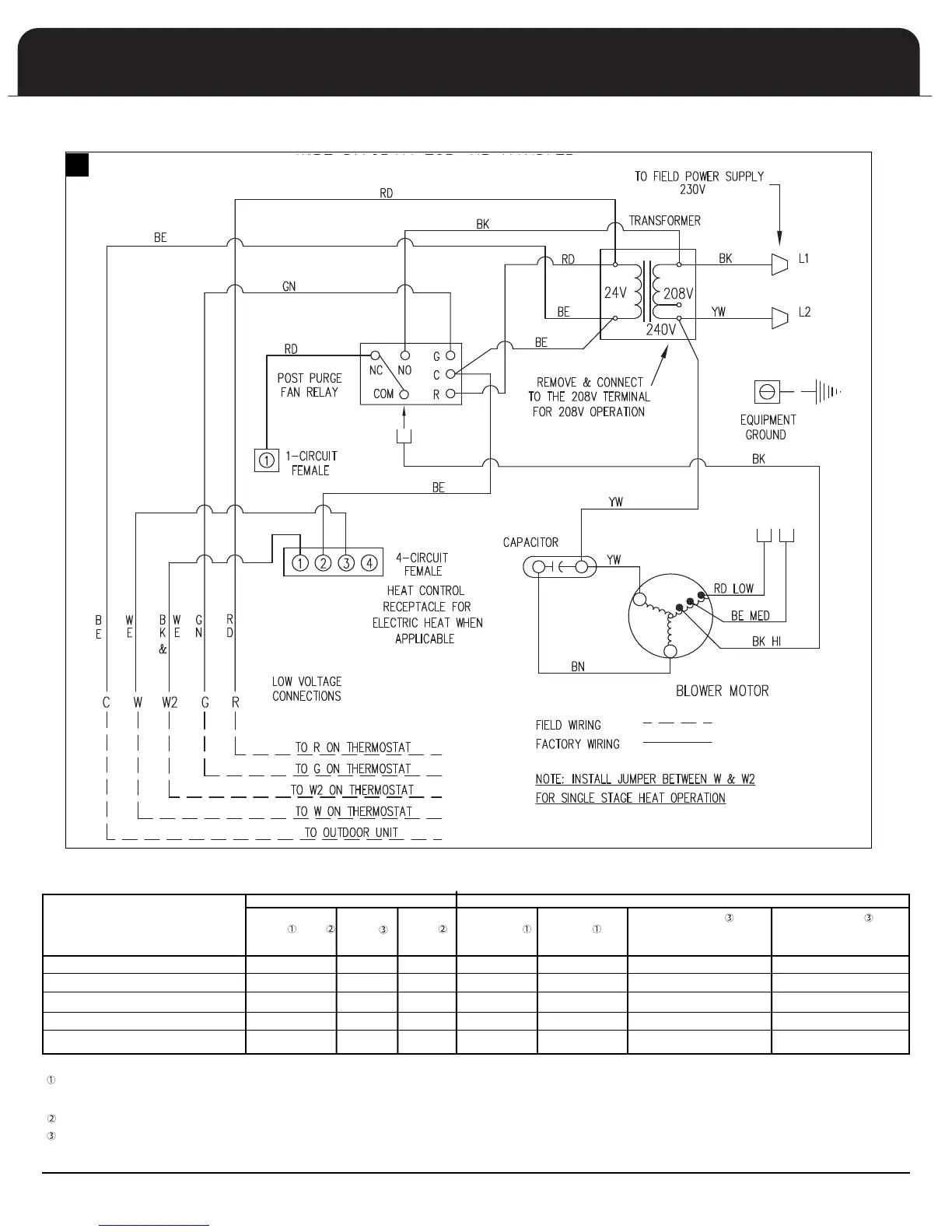
Wiring Diagram