EasyManua.ls Logo

Federal EIMSS60 - Page 47

Federal EIMSS60
69 pages
Print Icon
To Next Page IconTo Next Page
To Next Page IconTo Next Page
To Previous Page IconTo Previous Page
To Previous Page IconTo Previous Page
Loading...
IMSS E3265
-
47
-
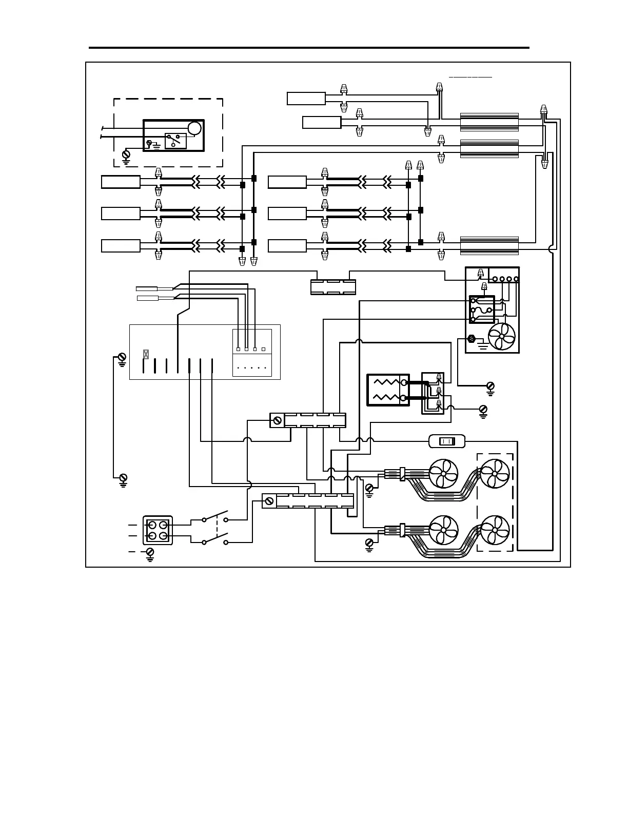
Self-Contained IMSS84SC BETWEEN 5/1/18 & 2/15/18
208-240V / 60Hz / 1PH
IMSS
MODELS
ONLY
Y(6)
R(15)
G(26)
91-20307-1 IMSS84SC SCROLL - AFTER 5/1/18
RIB
RIB
TERM BLOCK
TEMP PROBE PB1
DEFROST PROBE PB2
POWER SWITCH
TERM BLOCK L1
TERM BLOCK L2
LIGHT SWITCH
EVAPORATOR FANS
B(5)
B(13)
R(12)
B(16)
R(15)
Y(10)
R(2)
B(1)
R(4)
B(3)
L2
L1
N
B
R
B/BLR
BL
SHELF LAMP
B
B/BL
B
B
R
B/BL
R
BL
SHELF LAMP
B
B/BL
B
B
R
B/BL
R
BL
SHELF LAMP
B
B/BL
B
POWER SUPPLY
B
R
B/BL
R
BL
SHELF LAMP
B
B/BL
B
B
R
B/BLR
BL
SHELF LAMP
B
B/BL
B
B
R
B/BL
R
BL
SHELF LAMP
B
B/BL
B
POWER SUPPLY
B(22)
P
R(23)
OPTIONAL
CONDENSATE PUMP
G(24)
B
R
B/BL
TOP LAMP
B
B
R
B/BL
TOP LAMP
B
POWER SUPPLY
BRW
BL
B
R
G = GREEN
B = BLACK
R = RED
W = WHITE
Y = YELLOW
BL = BLUE
COLOR CODE
BRW
BRW
BL
BL
B/BL
B/BL
B
B
B
R
B
R
CONDENSING
UNIT
PRESS
CONTROL
L2
L1
4
5
3
1
R(11)
B(17)
Y(10)
CONDENSATE
PAN
R(23)
B(22)
G(24)
G(25)
R(14)
2X4
IF OPTIONAL CONDO PUMP HOSE
HEATER IS USED, TIE HEATER
WIRES TO B22 & R23
G
BR
BL
R(23)
5 4 6 7
8 9 10 11
B
W
W
B

Related product manuals