EasyManua.ls Logo

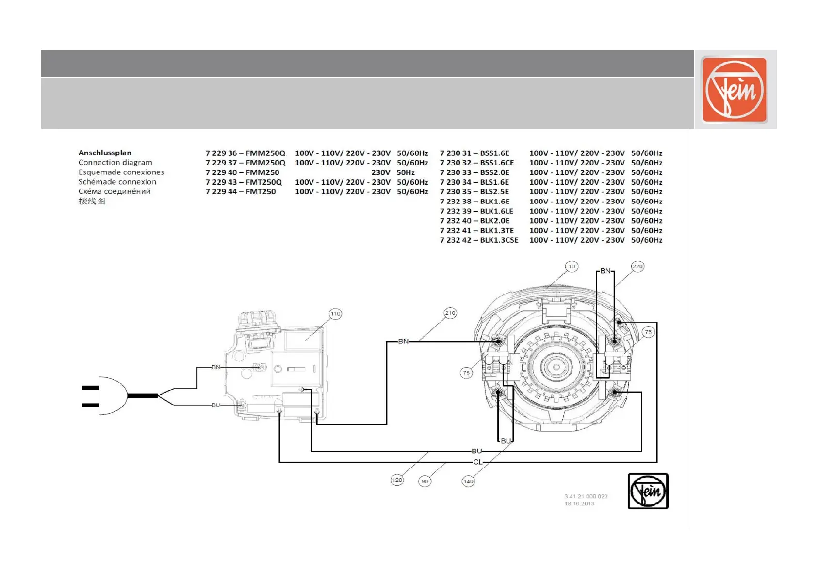
Fein FMT 250 - 9. Connection diagram

Fein FMT 250
30 pages
Print Icon
To Previous Page IconTo Previous Page
To Previous Page IconTo Previous Page
Loading...
FMT 250; FMT 250Q; FMT 250QSL
9. Connection diagram
C-SC_CSSM
Version 1.0
2016-11-18
All rights reserved by FEIN, especially in case of industrial rights registration.
FEIN retains all rights of disposal, such as copying and circulation.
Page 30 of 30

Related product manuals