EasyManua.ls Logo

Fermax 5293 - Page 2

Fermax 5293
Print Icon
To Next Page IconTo Next Page
To Next Page IconTo Next Page
To Previous Page IconTo Previous Page
To Previous Page IconTo Previous Page
Loading...
Cod. 970030 V04_20
2
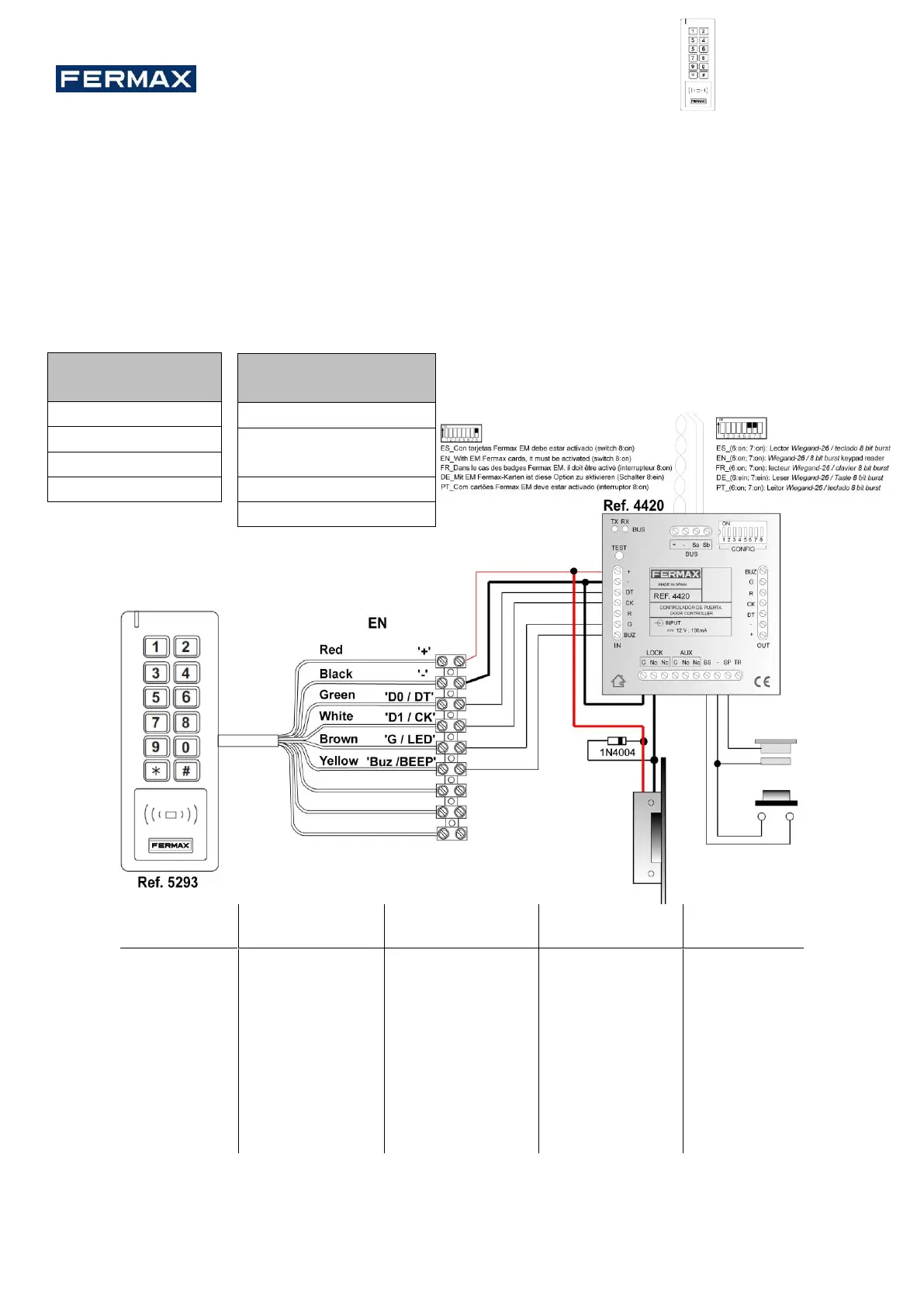
REF. 5293 TECLADO/KEYPAD/CLAVIER/TASTATUR/  
RESISTANT
Conexión / Connections / Connexion / Anschluss / Ligação / 
Centralizado / Centralized / Centralisé / Zentralisiert / Centralizado / 
Configurar teclado / Configure keypad / Configurer le clavier / Tastatur konfigurieren / Configurar o teclado /

ES
FR
DE
PT
AR
Rojo
'+'
Rouge
'+'
Rot
'+'
Vermelho '+'
'+'

Negro
'-'
Noir
'-'
Schwarz '-'
Preto
'-'
'-'

Verde
'DO / DT'
Vert
'DO / DT'
Grün
'DO / DT'
Verde
‘DO / DT'
'DO / DT'

Blanco
’D1 / CK'
Blanc
'D1 / CK'
Weift
’D1 / CK'
Blanco
'D1 / CK'
’D1 / CK'

Marrón
G / LED'
Brun
G/ LE D '
Braun
'G / LED'
Brown
'G / LED'
'G / LED'

Amarillo 'Buz /BEEP'
Jaune
'Buz /BEEP'
Gelb
'Buz /BEEP’
Amarelo
'Buz /BEEP'
'Buz /BEEP’

Wiegand 26 / 8 bits
AC+
* (123456) #
8 1 # (WG)
8 8 # (8bits) AC+
*
(4bits/virtual card)
IP-AXES or 5276 / Others
* (123456) #
8 4 # (4bits) IP-AXES/ref.
5276
8 10# (virtual card)
*

Related product manuals