EasyManua.ls Logo

Fermax Cityline - Page 46

Fermax Cityline
60 pages
Print Icon
To Next Page IconTo Next Page
To Next Page IconTo Next Page
To Previous Page IconTo Previous Page
To Previous Page IconTo Previous Page
Loading...
46
VDS - DIRECT - DIGITVDS - DIRECT - DIGIT
VDS - DIRECT - DIGITVDS - DIRECT - DIGIT
VDS - DIRECT - DIGIT
AL - KITAL - KIT
AL - KITAL - KIT
AL - KIT
s 199s 199
s 199s 199
s 199
VDS - DIRECT - DIGITVDS - DIRECT - DIGIT
VDS - DIRECT - DIGITVDS - DIRECT - DIGIT
VDS - DIRECT - DIGIT
AL - KITAL - KIT
AL - KITAL - KIT
AL - KIT
s 199s 199
s 199s 199
s 199
18 Vdc
12 Vac
-
+
CT VM
..........
..........
....
....
-
L
+
COAX
Ct
L
B
S
EXT.
INT.
C
B
No
+-
+12
Nc
JP2
12 Vac
JP2
PLACA
TELEFONO
1
2
HIGH RESOLUTION
FLAT MONITOR
-+-+
Vac
18 Vdc
~~
Vac
12 Vac
1 - 50
50 - 100
100 - 200
75 Ohm
75 Ohm
75 Ohm
mm
mm
mm2,5
1,5
1
2
2
2
S
metros / metres
pies / feet
AWG
3 - 150
150 - 300
mm
2
17
15
13
D
300 - 600
H
I
G
H
R
E
S
O
L
U
T
I
O
N
C
C
D
C
A
M
E
R
A
P
A
N
&
T
I
L
T
+
1
8
V
1
.
5
A
5
0
-
6
0
H
z
.
5
0
V
A
M
A
X
.
1
2
V
1
A
F
U
E
N
T
E
A
L
I
M
E
N
T
A
C
I
O
N
K
IT
DIGI
T
A
L
M
A
D
E
I
N
S
P
A
I
N
D. max.
H
I
G
H
R
E
S
O
L
U
T
I
O
N
C
C
D
C
A
M
E
R
A
P
A
N
&
T
I
L
T
2.-
E
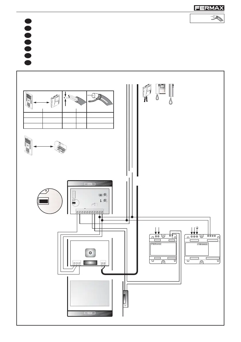
Instalación de vídeo
EN
Video installation
F
Installation vidéo
D
Videoinstallation
P
Instalacão de video
IT
Installazione video
R
Подключение видео
30 m.
90 pies
DIRECT - DIGITAL
VDSVDS
VDSVDS
VDS

Table of Contents

Other manuals for Fermax Cityline

Related product manuals