EasyManua.ls Logo

Fermax Cityline - Page 47

Fermax Cityline
60 pages
Print Icon
To Next Page IconTo Next Page
To Next Page IconTo Next Page
To Previous Page IconTo Previous Page
To Previous Page IconTo Previous Page
Loading...
47
VDS - DIRECT - DIGITVDS - DIRECT - DIGIT
VDS - DIRECT - DIGITVDS - DIRECT - DIGIT
VDS - DIRECT - DIGIT
AL - KITAL - KIT
AL - KITAL - KIT
AL - KIT
s 199s 199
s 199s 199
s 199
VDS - DIRECT - DIGITVDS - DIRECT - DIGIT
VDS - DIRECT - DIGITVDS - DIRECT - DIGIT
VDS - DIRECT - DIGIT
AL - KITAL - KIT
AL - KITAL - KIT
AL - KIT
s 199s 199
s 199s 199
s 199
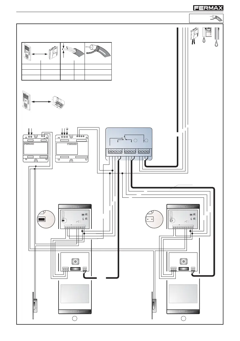
18 Vdc
PIN_PADSTACKPIN_PADSTACK
S
+
LVM
+
L
Vi Mi
MoVo
L
+
VoViVS
SALIDA VIDEO
VIDEO OUTPUT
VIDEO EXTERIOR
EXTERNAL VIDEO
REF.2450
PACK CAMBIADOR VIDEO ADS
ADS VIDEO SWITCHER PACK
PANEL VIDEO
VIDEO PLACA
+
L
COAX
COAX RG59
L
+
-
CT
+ -
MV CT
+-
V M
+
-
L
-
-
+
L
..........
..........
....
....
..........
..........
....
....
S
1 2
Ct
L
B
S
EXT.
INT.
C
B
No
+-
+12
Nc
JP2
JP2
Ct
L
B
S
EXT.
INT.
C
B
No
+-
+12
Nc
JP2
COAX
12 Vac 12 Vac
JP2
PLACA
TELEFONO
PLACA
TELEFONO
12 Vac
1
2
HIGH RESOLUTION
FLAT MONITOR
-+-+
Vac
18 Vdc
~~
Vac
12 Vac
DIRECT- DIGITAL
1 - 50
50 - 100
100 - 200
75 Ohm
75 Ohm
75 Ohm
mm
mm
mm2,5
1,5
1
2
2
2
S
metros / metres
pies / feet
AWG
3 - 150
150 - 300
mm
2
17
15
13
D
300 - 600
H
I
G
H
R
E
S
O
L
U
T
I
O
N
C
C
D
C
A
M
E
R
A
P
AN
&
TI
L
T
+
1
8
V
1
.
5
A
5
0
-
6
0
H
z
.
5
0
V
A
M
A
X
.
1
2
V
1
A
F
U
E
N
T
E
A
L
I
M
E
N
T
A
C
I
O
N
K
IT D
IG
IT
AL
M
A
D
E
I
N
S
P
A
I
N
D. max.
H
I
G
H
R
E
S
O
L
U
T
I
O
N
C
C
D
C
A
M
E
R
A
P
A
N
&
T
I
L
T
30 m.
90 pies
VDSVDS
VDSVDS
VDS

Table of Contents

Other manuals for Fermax Cityline

Related product manuals