EasyManua.ls Logo

Fermax Cityline - Door Controllers and Reader Integration

Fermax Cityline
60 pages
Print Icon
To Next Page IconTo Next Page
To Next Page IconTo Next Page
To Previous Page IconTo Previous Page
To Previous Page IconTo Previous Page
Loading...
49
VDS - DIRECT - DIGITVDS - DIRECT - DIGIT
VDS - DIRECT - DIGITVDS - DIRECT - DIGIT
VDS - DIRECT - DIGIT
AL - KITAL - KIT
AL - KITAL - KIT
AL - KIT
s 199s 199
s 199s 199
s 199
VDS - DIRECT - DIGITVDS - DIRECT - DIGIT
VDS - DIRECT - DIGITVDS - DIRECT - DIGIT
VDS - DIRECT - DIGIT
AL - KITAL - KIT
AL - KITAL - KIT
AL - KIT
s 199s 199
s 199s 199
s 199
P
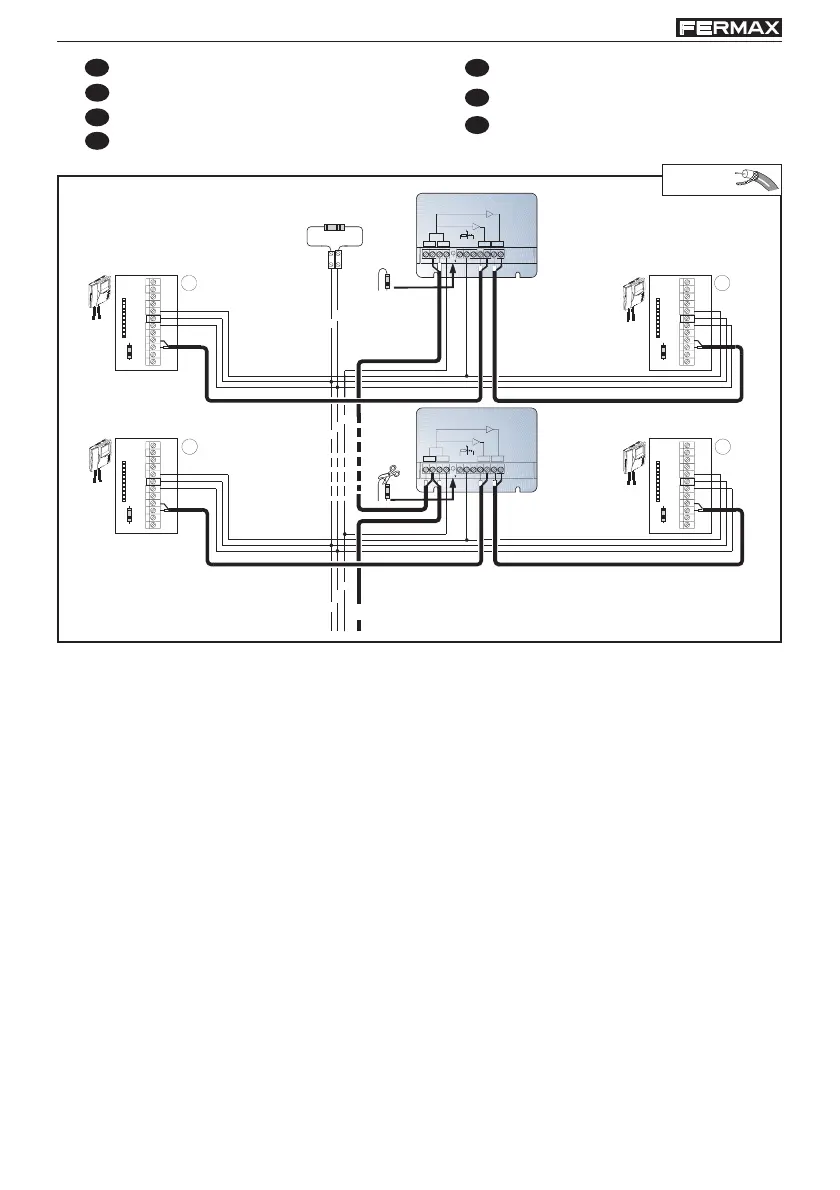
Monitores em distribuição
IT
Monitor da distribuzione
R
Распределительное
расположение мониторов
4.-
E
Monitores en distribución
EN
Monitors in distribution
F
Moniteurs en distribution
D
Monitore bei Verteilung
L
+
2 OUTPUTS VIDEO DISTRIBUTOR
DISTRIBUIDOR VIDEO 2 SALIDAS
V
5
V
1
M
+18
75
M
R1
34
+
V
2
REF.2448
6
VM M
DISTRIBUIDOR VIDEO 2 SALIDAS
2 OUTPUTS VIDEO DISTRIBUTOR
75
REF.2448
V
1
R1
+18
VM
5
M
4
+
3
MMV
2
V
6
-
-
L
+
COAX
(-)
(-)
n-2
n-1
+
L
1-2
1-1
CT
+
M
V
M
V
F1
T
A
L
-
F2
CN1
CT
+
M
V
M
V
F1
T
A
L
-
F2
CN1
CT
+
M
V
M
V
F1
T
A
L
-
F2
CN1
CT
+
M
V
M
V
F1
T
A
L
-
F2
CN1
10 Kohm
R
R
Loft
VDSVDS
VDSVDS
VDS

Table of Contents

Other manuals for Fermax Cityline

Related product manuals