EasyManua.ls Logo

Fermax LOFT 60 Years Limited Edition

Fermax LOFT 60 Years Limited Edition
34 pages
To Next Page IconTo Next Page
To Next Page IconTo Next Page
To Previous Page IconTo Previous Page
To Previous Page IconTo Previous Page
Loading...
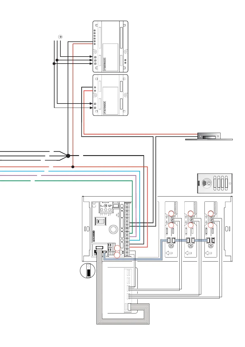
17
EXITEXIT
JP3
JP2
PACK EXTENSION
CN1
CN2
LEDS ON
SLAVE
MASTER
LEDS OFF
TARJETERO
CARD HOLDER
AUDIO
D
C
B
A
CN1
CN2
MIC
JP3
JP2
ARRIBA
UP
ARRIBA
UP
ARRIBA
UP
21
43
65
7
8
L
+
-
M
V
+12
C
NcNo
-
BS
S
CT
JP2
Vac
REF.2441
MODULO EXTENSION 16 LLAMADAS
16 CALL EXTENSION PACK
-
-
-
-
L
V
M
+
12 Vac
18 Vdc
2
1
34 8567
11
9
10
1312 161415
12 Vac
FE
-+-+-+
SEC. 12VacPRIM
PRIM SEC. 18Vdc220V

Table of Contents

Related product manuals