EasyManua.ls Logo

Fermax LOFT 60 Years Limited Edition

Fermax LOFT 60 Years Limited Edition
34 pages
To Next Page IconTo Next Page
To Next Page IconTo Next Page
To Previous Page IconTo Previous Page
To Previous Page IconTo Previous Page
Loading...
12
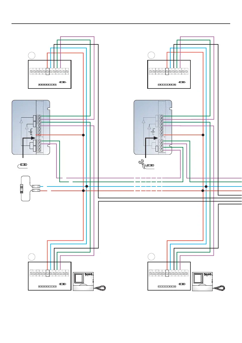
CONEXIÓN CON DISTRIBUCIÓN - DISTRIBUTION CONNECTION- CONNEXION AVEC DISTRIBUTION
- ANSCHLUSS MIT VERTEILUNG
2 OUTPUTS VIDEO DISTRIBUTOR
DISTRIBUIDOR VIDEO 2 SALIDAS
V
5
V
1
M
+18
75
M
R1
34
+
V
2
REF.2448
6
VM M
DISTRIBUIDOR VIDEO 2 SALIDAS
2 OUTPUTS VIDEO DISTRIBUTOR
75
REF.2448
V
1
R1
+18
VM
5
M
4
+
3
MMV
2
V
6
(-)
(-)
CT
+
M
V
M
V
F1
T
A
L
-
F2
CN1
CT
+
M
V
M
V
F1
T
A
L
-
F2
CN1
10 Kohm
CT
+
M
V
M
V
F1
T
A
L
-
F2
CN1
CT
+
M
V
M
V
F1
T
A
L
-
F2
CN1
V
M
L
+
R
R
F2
F1
F2
F1
7
M
1
M
2
M
8
M

Table of Contents

Related product manuals