EasyManua.ls Logo

Fermax PBX EXP - Page 14

Fermax PBX EXP
50 pages
Print Icon
To Next Page IconTo Next Page
To Next Page IconTo Next Page
To Previous Page IconTo Previous Page
To Previous Page IconTo Previous Page
Loading...
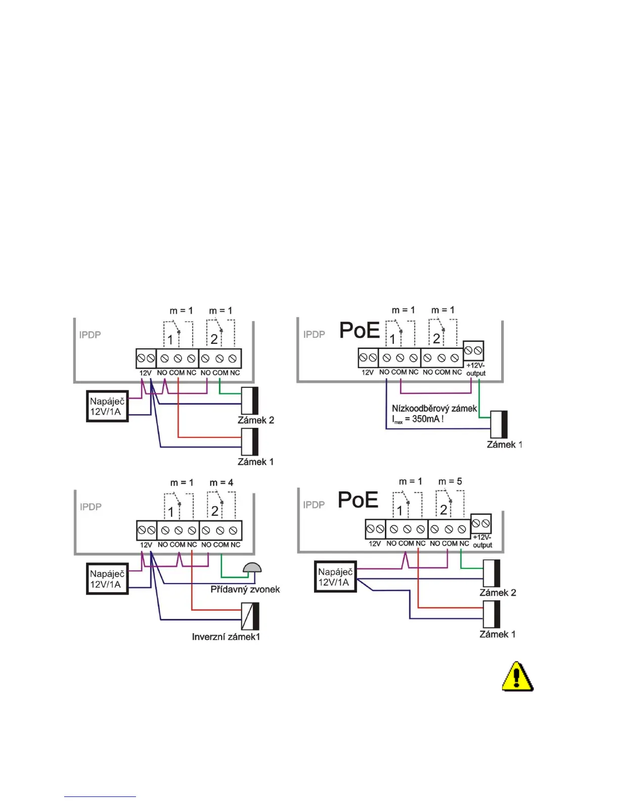
20. Jumper Light enables switching on/off the illumination of visit cards.
21. Switching contact of the 2nd switch (NO=normally open, NC=normally closed and
COM=common output of the switch).
22. When using Fermax IP DP, it is suggested to use either an alternating power
supply voltage min. 10VAC - max. 15VAC or a direct power supply voltage min.
12VDC - max. - 18VDC. which is connected to the connector "12V". The load of
the power supply depends on the number of modules used, because it is used
also for powering the illumination of visit cards - if the max. number of
pushbutton panels is used, the power consumption does not go beyond 500mA.
This power supply can be also used for powering the electrical locks, then you
need to calculate alsko with the power consumption of electrical locks. Usually it
is enough to use a power supply of 12VAC/1A÷2A.
1.4.2. Example of switches connection
The switching contact of relay is separated galvanically from other circuits of the door
phone panel.

Related product manuals