EasyManua.ls Logo

Ferris 5900201 - Parking Brake Group - Lower

Ferris 5900201
98 pages
Print Icon
To Next Page IconTo Next Page
To Next Page IconTo Next Page
To Previous Page IconTo Previous Page
To Previous Page IconTo Previous Page
Loading...
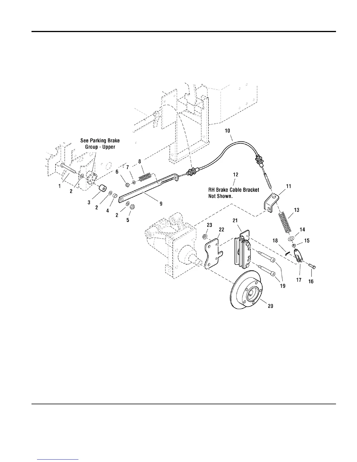
Parking Brake Group - Lower
NOTE: Unless noted otherwise,
use the standard hardware torque
specification chart.
The above parts group applies to the following Mfg. Nos.:
2007
38
© Copyright Briggs and Stratton. All Rights Reserved.
5901074
(
S/N: 1226 & above
)
(
IS5000Z/C3
5901071
(
S/N: 1226 & above
)
(
IS5000Z/C3
5901070
(
S/N: 1226 & above
)
(
IS5000Z/C3
TP 400-7168-11-5Z-F

Related product manuals