EasyManua.ls Logo

Ferris 5900612 - 61 & 72 Mower Decks - Hanger Chains

Ferris 5900612
104 pages
Print Icon
To Next Page IconTo Next Page
To Next Page IconTo Next Page
To Previous Page IconTo Previous Page
To Previous Page IconTo Previous Page
Loading...
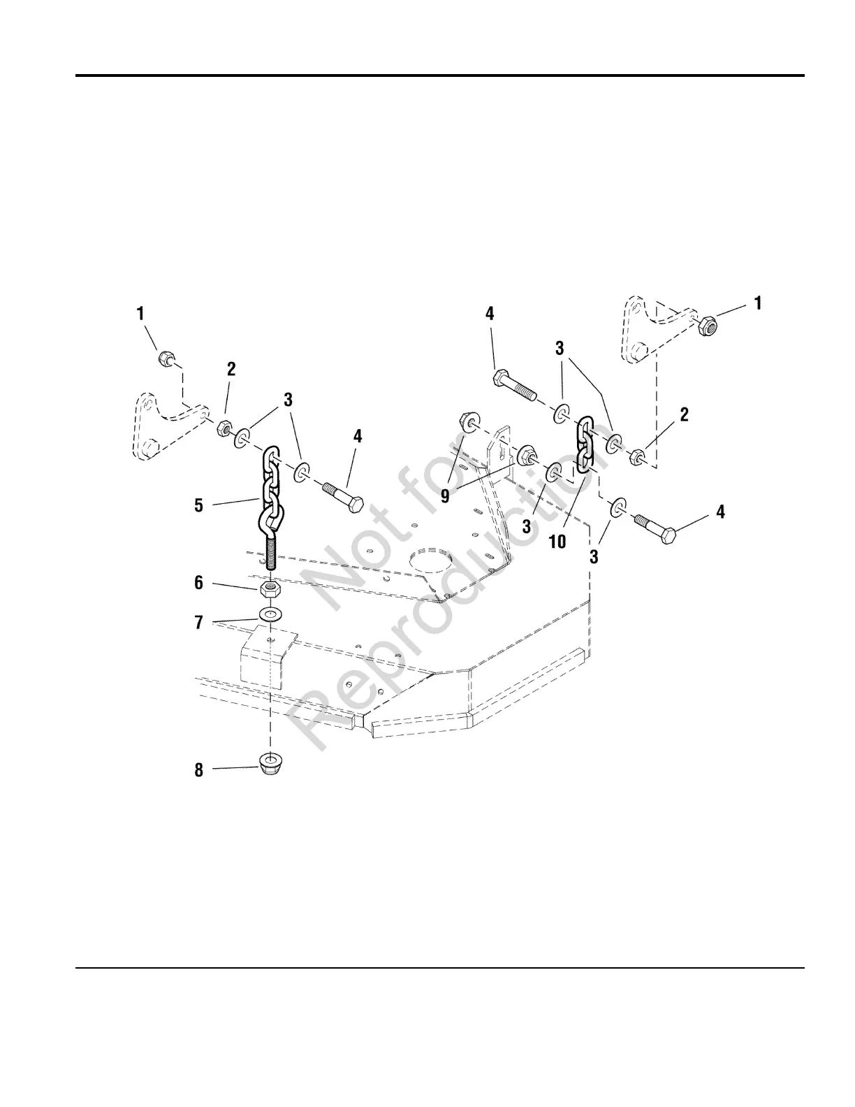
61" & 72" Mower Decks - Hanger Chains
NOTE: Unless noted otherwise,
use the standard hardware torque
specification chart.
The above parts group applies to the following Mfg. Nos.:
2010
84
© Copyright Briggs and Stratton. All Rights Reserved.
5901184
(
3100/72
)
5900718
(
3100/72 AUS/NZ
)
TP 400-7282-BA-3Z-F
Not for
Reproduction

Table of Contents

Related product manuals