EasyManua.ls Logo

Fetco HWB-2 - Main Assembly Parts List

Fetco HWB-2
12 pages
Print Icon
To Next Page IconTo Next Page
To Next Page IconTo Next Page
To Previous Page IconTo Previous Page
To Previous Page IconTo Previous Page
Loading...
8
Parts
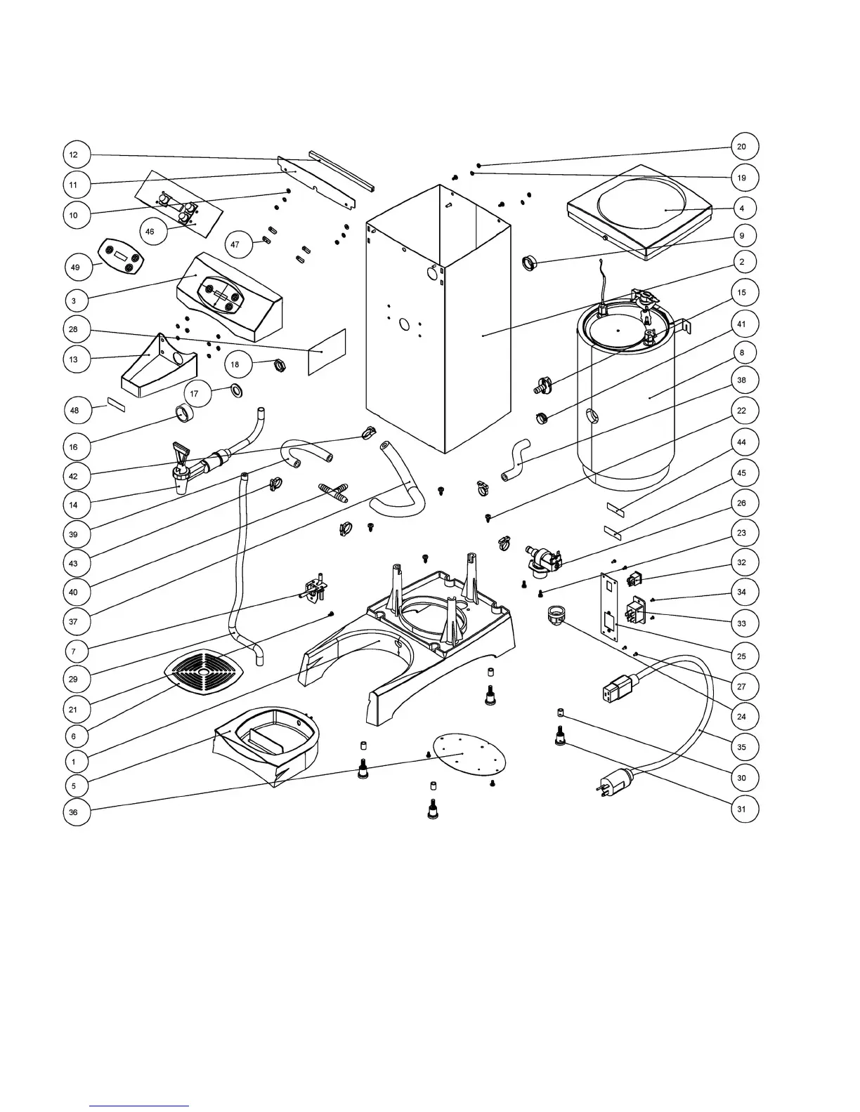
Figure 1 – HWB-2 – Main Assembly

Related product manuals