EasyManua.ls Logo

FHP 641-224 - Page 22

FHP 641-224
42 pages
Print Icon
To Next Page IconTo Next Page
To Next Page IconTo Next Page
To Previous Page IconTo Previous Page
To Previous Page IconTo Previous Page
Loading...
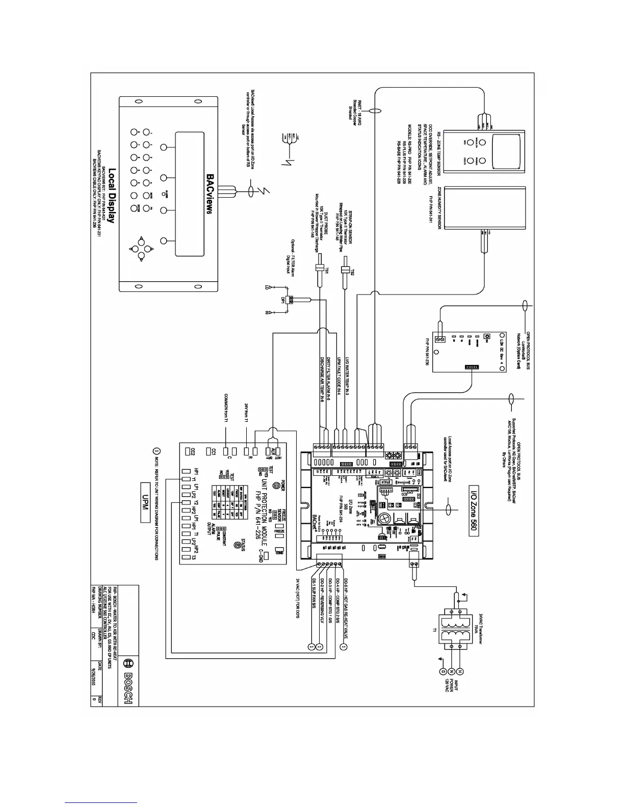
Figure 13 -Typical water to air applications – Water to Air with Hot Gas Re-Heat
22

Table of Contents