EasyManua.ls Logo

FHP 641-224 - Page 23

FHP 641-224
42 pages
Print Icon
To Next Page IconTo Next Page
To Next Page IconTo Next Page
To Previous Page IconTo Previous Page
To Previous Page IconTo Previous Page
Loading...
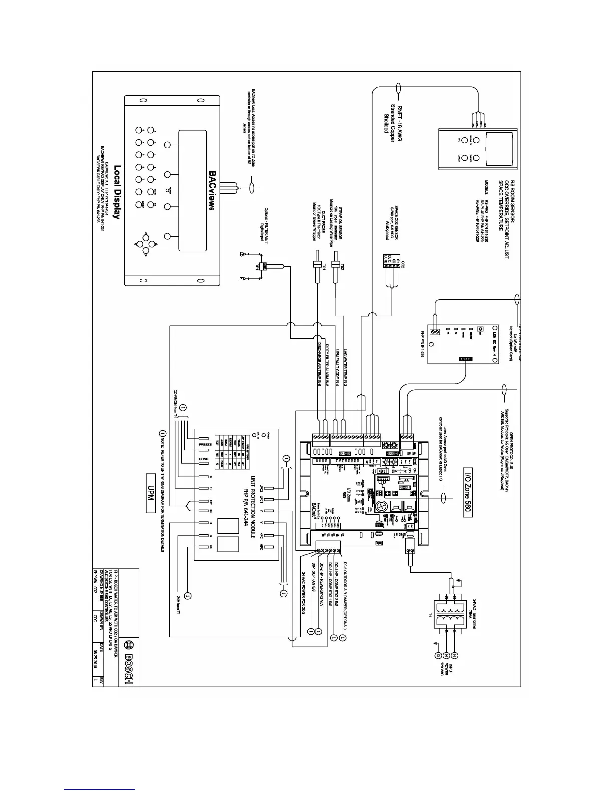
Figure 14 - Typical water to air applications – Water to Air with CO2 and OA Damper
23

Table of Contents