EasyManua.ls Logo

FIFOTRACK S20 - Analog Input Wiring (AD1); Output Control Wiring (OUT1)

FIFOTRACK S20
18 pages
Print Icon
To Previous Page IconTo Previous Page
To Previous Page IconTo Previous Page
Loading...
S20 USER GUIDE
18
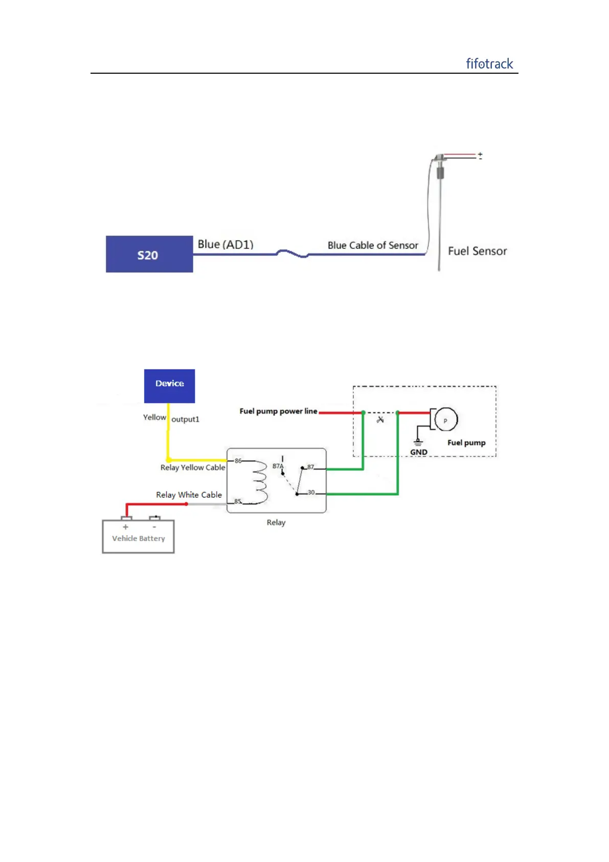
9.4 Analog Input( AD1)
9.5 Output control (OUT1)
Please e-mail us at info@fifotrack.com if any question or feedback.

Related product manuals