EasyManua.ls Logo

Fimar AB12/T - Page 86

Fimar AB12/T
Print Icon
To Next Page IconTo Next Page
To Next Page IconTo Next Page
To Previous Page IconTo Previous Page
To Previous Page IconTo Previous Page
Loading...
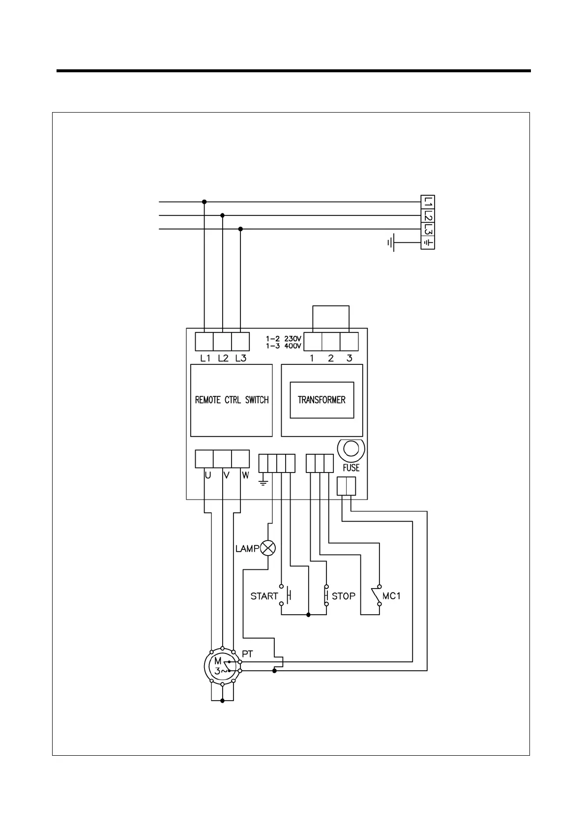
SCHEMA ELETTRICO • ELECTRICAL WIRING DIAGRAM • SCHÉMA ÉLECTRIQUE • SCHALTPLAN •
ESQUEMA ELECTRICO • ESQUEMA ELÉCTRICO • ЭЛЕКТРИЧЕСКАЯ СХЕМА
AB12/T-L - AB12/AT - AB22/AE-T
(3 Phase)

Table of Contents