EasyManua.ls Logo

Fimar AB12/T - Page 87

Fimar AB12/T
Print Icon
To Next Page IconTo Next Page
To Next Page IconTo Next Page
To Previous Page IconTo Previous Page
To Previous Page IconTo Previous Page
Loading...
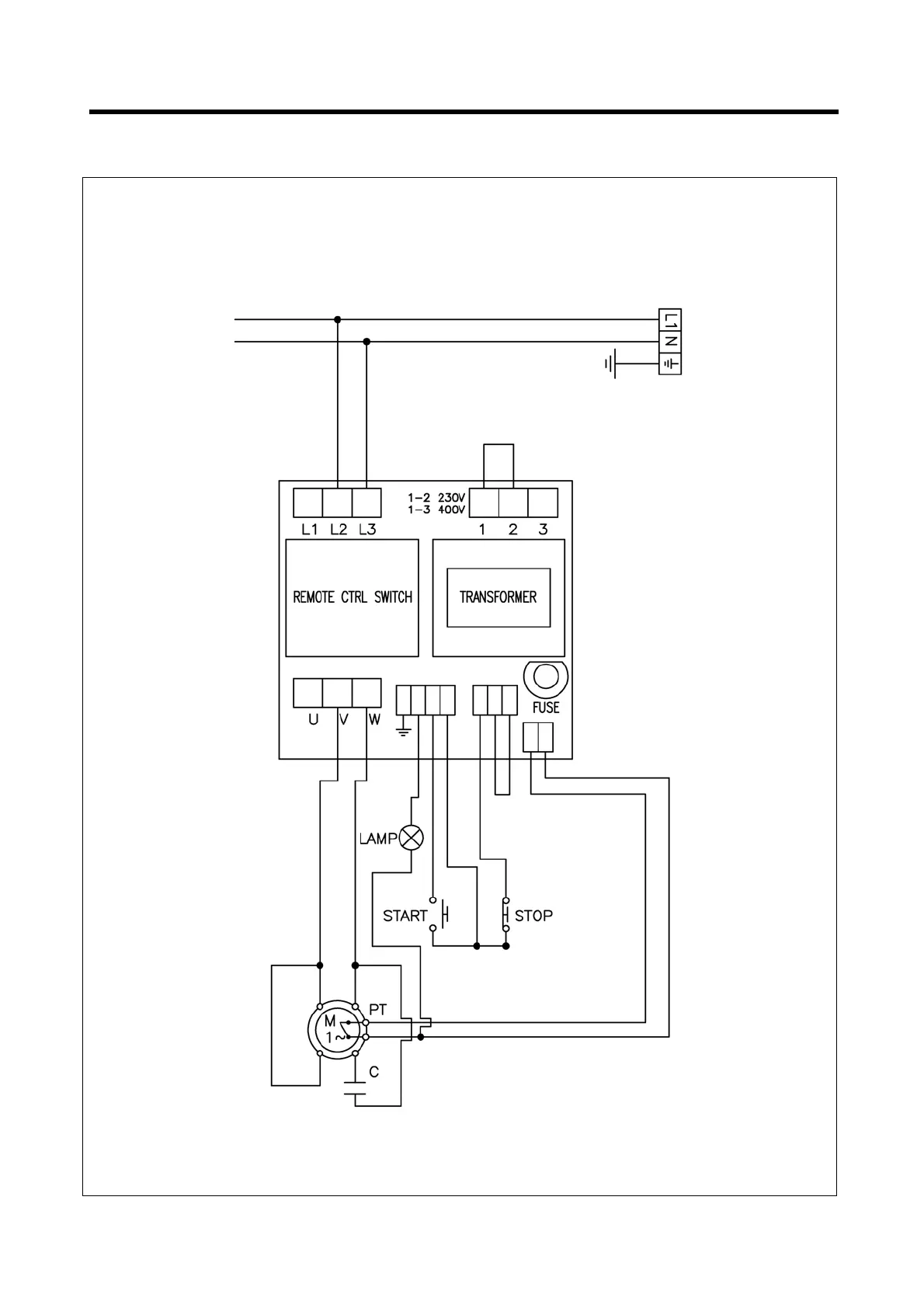
SCHEMA ELETTRICO • ELECTRICAL WIRING DIAGRAM • SCHÉMA ÉLECTRIQUE • SCHALTPLAN •
ESQUEMA ELECTRICO • ESQUEMA ELÉCTRICO • ЭЛЕКТРИЧЕСКАЯ СХЕМА
TR12/S - TR12/TS – TR12/C - TR22/TE - TR22/C –TR22/SN
(1 Phase)

Table of Contents