EasyManua.ls Logo

Fimar MCD/260E - Page 215

Fimar MCD/260E
Print Icon
To Next Page IconTo Next Page
To Next Page IconTo Next Page
To Previous Page IconTo Previous Page
To Previous Page IconTo Previous Page
Loading...
IDM-34606201000.pdf
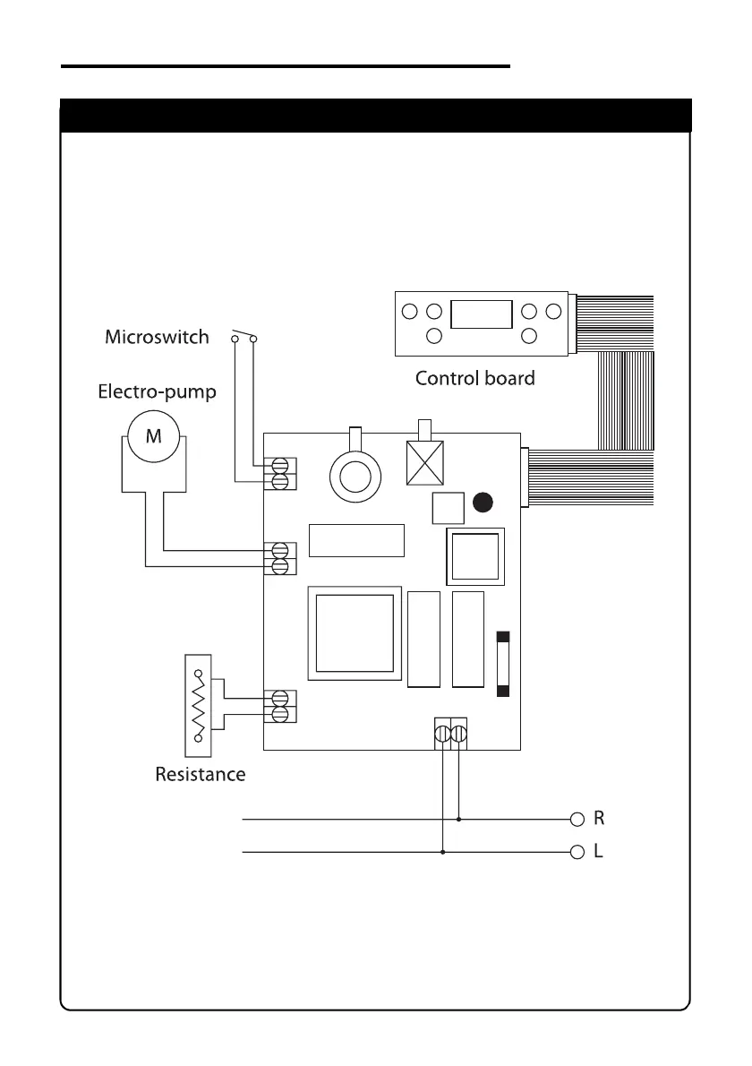
SCHEMA ELETTRICO
ELECTRIC DIAGRAM
MSD/300P - MSD/300

Table of Contents

Related product manuals