EasyManua.ls Logo

Fimar MCD/260E - Page 217

Fimar MCD/260E
Print Icon
To Next Page IconTo Next Page
To Next Page IconTo Next Page
To Previous Page IconTo Previous Page
To Previous Page IconTo Previous Page
Loading...
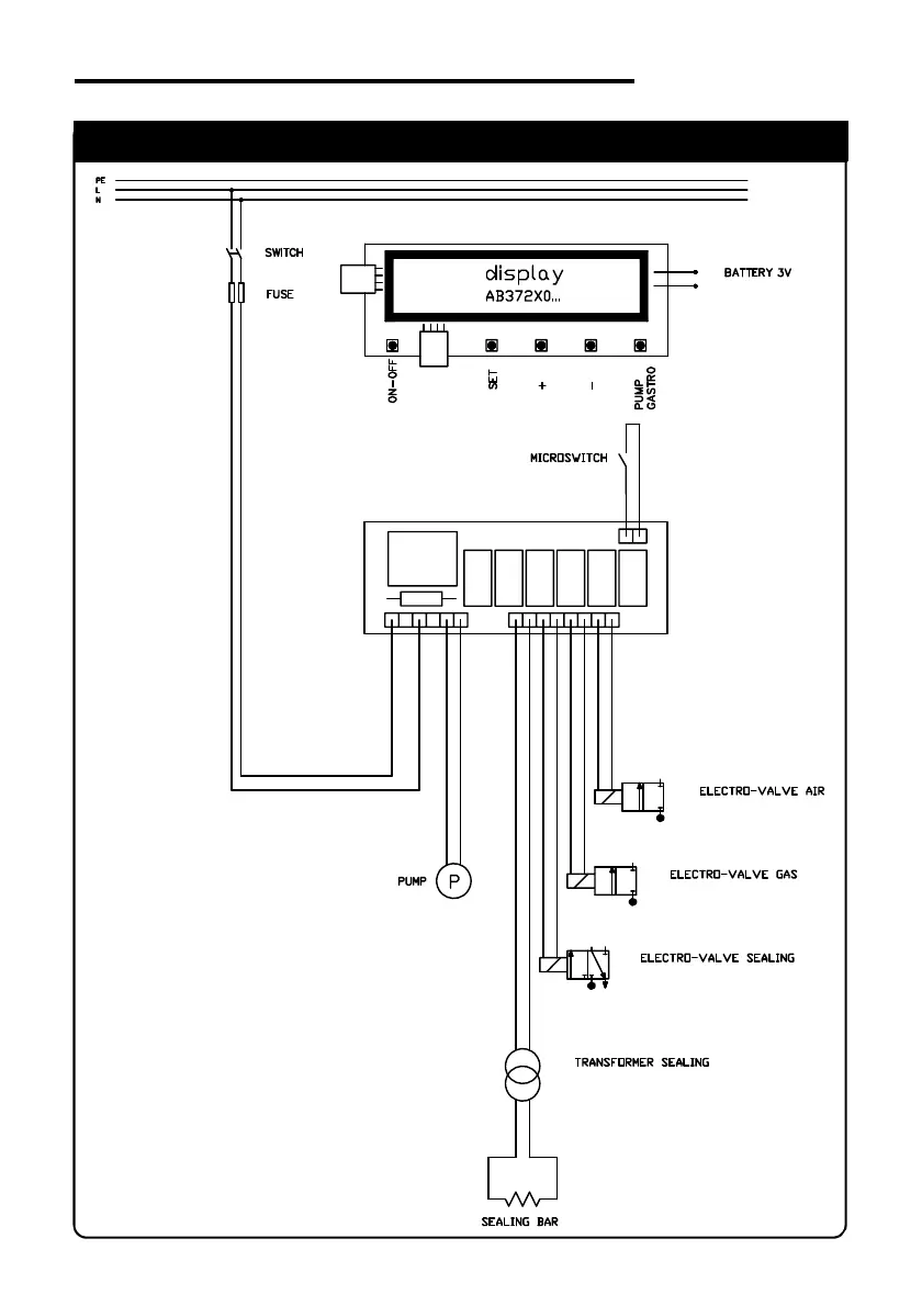
SCHEMA ELETTRICO
ELECTRIC DIAGRAM
MCD/260-MCD/320 - MCD/420 - MCD/520
IDM-34606201201.pdf

Table of Contents

Related product manuals