EasyManua.ls Logo

Fire Com 110 - SYSTEM WIRING

Default Icon
20 pages
Print Icon
To Next Page IconTo Next Page
To Next Page IconTo Next Page
To Previous Page IconTo Previous Page
To Previous Page IconTo Previous Page
Loading...
5
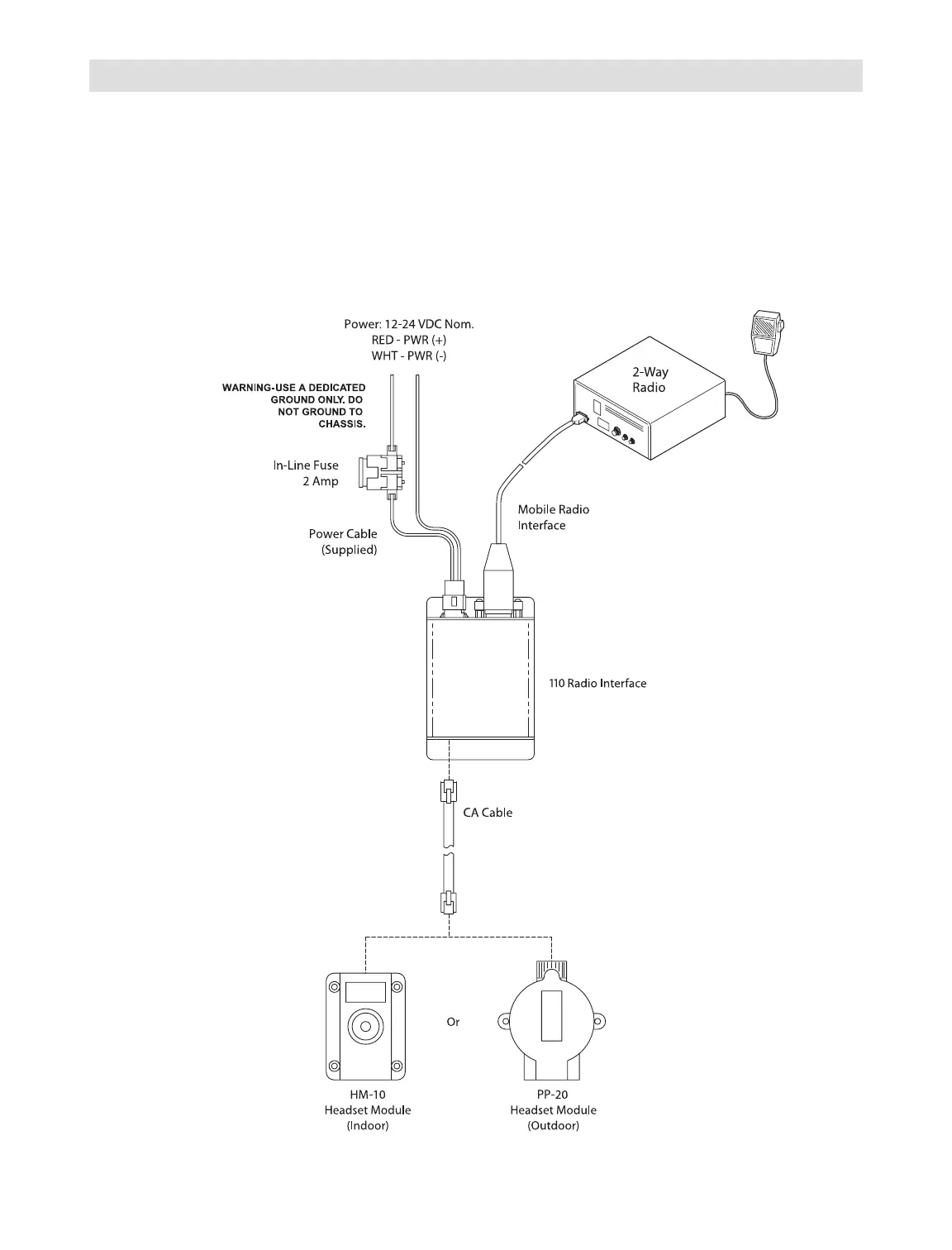
SYSTEM WIRING
Overview
Once the radio interface unit is installed, the system is ready for wiring. A headset module can be connected to
the headset port using a RJ-12 connector and CA cable as shown in the figure below. See “CA Cable Routing”
in the Installation section of this manual before wiring. The 2-way radio is added using the 9-pin D-Sub connector.