EasyManua.ls Logo

Fire-Lite C304(A - C304 Wiring Variations; C304 Fault Tolerant Indicating Circuit; C304 Speaker Supervision and Switching; C304 Fault Tolerant Speaker Wiring

Fire-Lite C304(A
4 pages
Print Icon
To Next Page IconTo Next Page
To Next Page IconTo Next Page
To Previous Page IconTo Previous Page
To Previous Page IconTo Previous Page
Loading...
1 (–)
2 (+)
MODULE
FROM PANEL OR
(+)
(–)
TO NEXT
(+)
(–)
DEVICE
(+)
(–)
3 (–)
4 (+)
(+) 9
(–) 8
(–) 7
(+) 6
XXX 5
CONTROL
(–)
(+)
(–)
(+)
XXX - DO NOT
USE TERMINAL 5
TO NEXT CONTROL MODULE
LAST MODULE MUST RETURN
WIRES FOR SUPERVISION
MODULE POLARITIES ARE
SHOWN IN ALARM
CONNECT MODULES TO LISTED COMPATIBLE
AUDIO BRANCH CIRCUIT
3 & 4. BREAK WIRE TO ENSURE
SUPERVISION OF CONNECTIONS.
DO NOT LOOP WIRE AROUND TERMINALS
ALL WIRING SHOWN IS SUPERVISED.
(+)
C304(A)
FIRE-LITE CONTROL PANELS ONLY
PREVIOUS DEVICE
EOL RESISTOR IS
INTERNAL ACROSS
TERMINALS 8 AND 9
SEE FIRE-LITE PRODUCT
MANUAL FOR
WIRE SPECIFICATIONS
COMMUNICATION LINE
(–)
AUDIO AMPLIFIER
70.7 Vrms MAX.
AMP. WIRE
SUPERVISION
CIRCUIT
SPEAKER SWITCHING CIRCUIT - NFPA STYLE X
SPEAKERS MUST BE LISTED FOR FIRE PROTECTION
MAXIMUM LOAD: 43.75 WATTS MAX.
UP TO 70.7 Vrms (.35 POWER FACTOR)
(+) (–)
BYPASS CAPACITORS: 100 µf, 10V
A2143-20 NONPOLARIZED
<10 µA LEAKAGE
WIRES MUST BE SUPERVISEDD PER NFPA
WHEN A 70.7V AUDIO AMPLIFIER IS USED, TERMINALS 1 AND 2 ARE POWER LIMITED,
WHILE TERMINALS 3-9 ARE NONPOWER LIMITED. IN THIS CASE THE CB500 BARRIER
IS REQUIRED. OTHERWISE, ALL TERMINAL WIRING IS POWER LIMITED.
THE CB500
INCLUDES A LABEL INDICATING WHICH TERMINALS ARE NONPOWER LIMITED. THIS
LABEL MUST BE PLACED OVER THE POWER-LIMITED TERMINAL INFORMATION ON
THE NAMEPLATE LABEL, PRESENT ON THE MODULE HOUSING.
1 (–)
2 (+)
MODULE
FROM PANEL OR
(+)
(–)
TO NEXT
(+)
(–)
DEVICE
(+)
(–)
3 (–)
4 (+)
(+) 9
(–) 8
(–) 7
(+) 6
XXX 5
CONTROL
(–)
(+)
(–)
(+)
XXX - DO NOT
USE TERMINAL 5
TO NEXT CONTROL MODULE
LAST MODULE MUST RETURN
WIRES FOR SUPERVISION
MODULE POLARITIES ARE
SHOWN IN ALARM
CONNECT MODULES TO LISTED COMPATIBLE
AUDIO BRANCH CIRCUIT
3 & 4. BREAK WIRE TO ENSURE
SUPERVISION OF CONNECTIONS.
DO NOT LOOP WIRE AROUND TERMINALS
ALL WIRING SHOWN IS SUPERVISED.
(+)
C304(A)
FIRE-LITE CONTROL PANELS ONLY
PREVIOUS DEVICE
47 K EOL
RESISTOR
A2143-00
SEE FIRE-LITE PRODUCT
MANUAL FOR
WIRE SPECIFICATIONS
COMMUNICATION LINE
(–)
AUDIO AMPLIFIER
70.7 Vrms MAX.
AMP. WIRE
SUPERVISION
CIRCUIT
SPEAKER SWITCHING CIRCUIT - NFPA STYLE W
SPEAKERS MUST BE LISTED FOR FIRE PROTECTION
MAXIMUM LOAD: 43.75 WATTS MAX.
UP TO 70.7 Vrms
(.35 POWER FACTOR)
(+) (–)
WIRES MUST BE SUPERVISEDD PER NFPA
WHEN A 70.7V AUDIO AMPLIFIER IS USED, TERMINALS 1 AND 2 ARE POWER LIMITED,
WHILE TERMINALS 3-9 ARE NONPOWER LIMITED. IN THIS CASE THE CB500 BARRIER
IS REQUIRED. OTHERWISE, ALL TERMINAL WIRING IS POWER LIMITED.
THE CB500
INCLUDES A LABEL INDICATING WHICH TERMINALS ARE NONPOWER LIMITED. THIS
LABEL MUST BE PLACED OVER THE POWER-LIMITED TERMINAL INFORMATION ON
THE NAMEPLATE LABEL, PRESENT ON THE MODULE HOUSING.
A78-2284-04
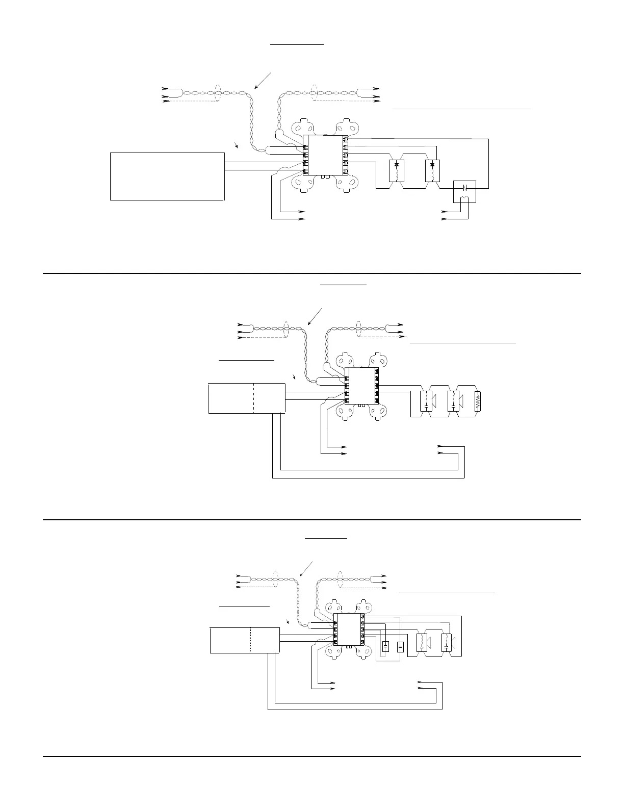
FIGURE 7. TYPICAL C304 WIRING FOR SPEAKER SUPERVISION AND SWITCHING, NFPA STYLE W
F300-03-01 3 I56-570-05
*Canadian models have a resistive rating of 1.5A @ 30 VDC in this configuration.
A78-2283-05
FIGURE 6. TYPICAL C304 FAULT TOLERANT INDICATING CIRCUIT CONFIGURATION, NFPA STYLE X
A78-2285-04
FIGURE 8. TYPICAL C304 FAULT TOLERANT WIRING FOR SPEAKER SUPERVISION AND SWITCHING, NFPA STYLE X
1 (–)
2 (+)
MODULE
FROM PANEL OR
(+)
(–)
TO NEXT
(+)
(–)
DEVICE
(+)
(–)
3 (–)
4 (+)
(+) 9
(–) 8
(–) 7
(+) 6
XXX 5
CONTROL
(–)
(+)
(–)
(+)
UL LISTED EOL RELAY
SHOWN ENERGIZED
24 VDC COIL
A77-716B
XXX - DO NOT
USE TERMINAL 5
TO NEXT CONTROL MODULE OR END
OF LINE RELAY (EOLR); ONE EOLR
REQUIRED PER 24 VDC BRANCH CIRCUIT
MODULE POLARITIES ARE
SHOWN IN ALARM
CONNECT MODULES TO LISTED COMPATIBLE
USE UL LISTED INDICATING APPLIANCES
RESISTIVE: 2 A @ 30 VDC*
INDUCTIVE: 1 A @ 30 VDC (.6 PF)
PILOT DUTY: .6 A @ 30 VDC (.35 PF)
MAXIMUM LOAD:
BRANCH CIRCUIT
3 & 4. BREAK WIRE RUN TO PROVIDE
SUPERVISION OF CONNECTIONS.
DO NOT LOOP WIRE ON TERMINALS
ALL WIRING SHOWN IS SUPERVISED AND POWER LIMITED
(+)
ISOLATED REGULATED
POWER SUPPLY, LISTED FOR FIRE
PROTECTION WITH BATTERY BACKUP
(MONITOR LOSS OF PRIMARY POWER)
C304(A)
FIRE-LITE CONTROL PANELS ONLY
INDICATING APPLIANCE CIRCUIT (IAC) - NFPA STYLE X
PREVIOUS DEVICE
EXTERNAL POWER SOURCE MUST BE
POWER LIMITED PER NFPA 70
EOL RESISTOR IS
INTERNAL ACROSS
TERMINALS 8 AND 9
SEE FIRE-LITE PRODUCT
MANUAL FOR
WIRE SPECIFICATIONS
COMMUNICATION LINE
(–)

Related product manuals