EasyManua.ls Logo

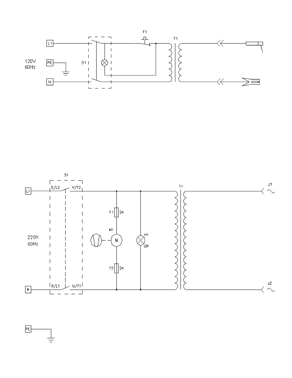
Firepower FP-100 - Figure 15: FP-100 Wiring Diagram; Figure 16: FP-235 Wiring Diagram

Firepower FP-100
34 pages
Print Icon
To Next Page IconTo Next Page
To Next Page IconTo Next Page
To Previous Page IconTo Previous Page
To Previous Page IconTo Previous Page
Loading...
27
Figure 15: FP 100 Wiring Diagram
Figure 16: FP 235 Wiring Diagram

Table of Contents

Related product manuals