EasyManua.ls Logo

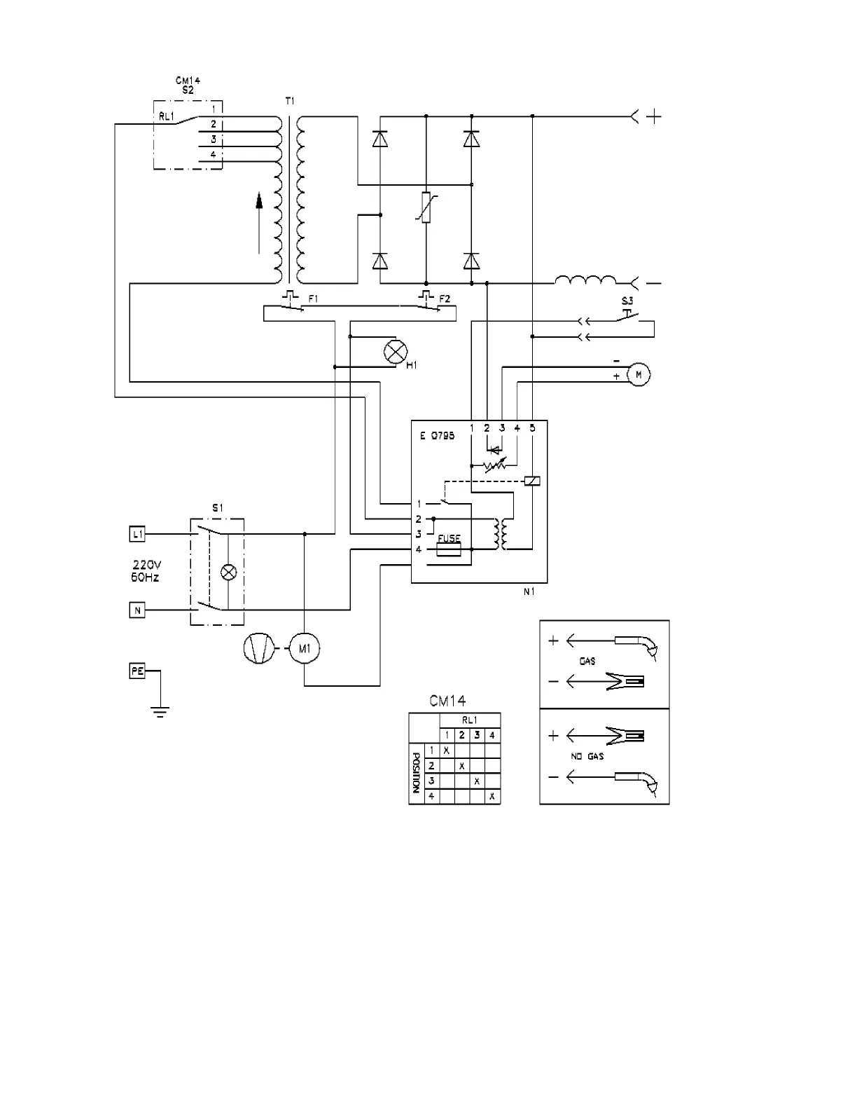
Firepower FP-160 - Figure 13: FP 160 Wiring Diagram

Default Icon
32 pages
Print Icon
To Next Page IconTo Next Page
To Next Page IconTo Next Page
To Previous Page IconTo Previous Page
To Previous Page IconTo Previous Page
Loading...
27
Figure 13: FP 160 Wiring Diagram

Table of Contents

Related product manuals