EasyManua.ls Logo

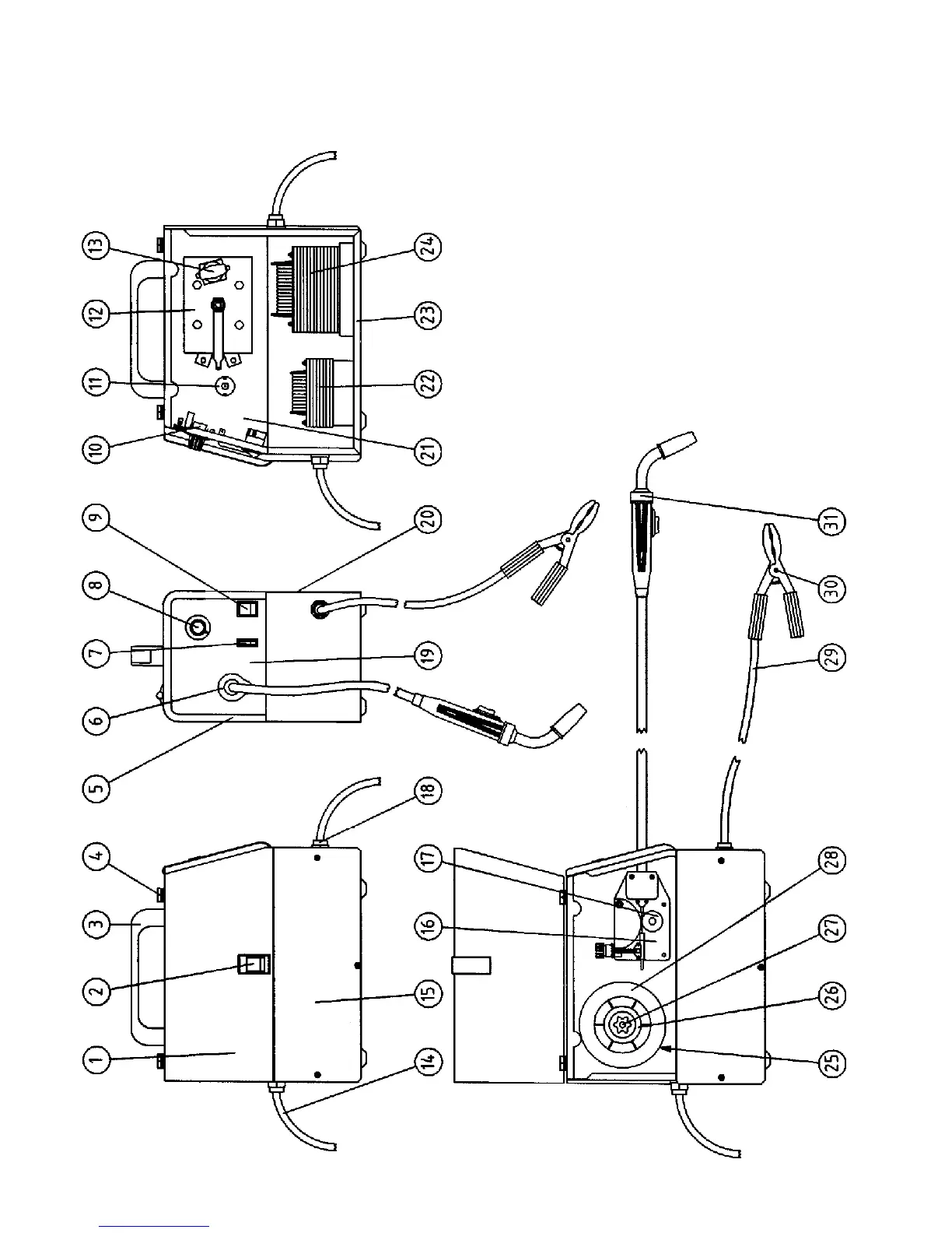
Firepower FP-90 - Figure 21: FP-90 Parts Breakdown

Default Icon
32 pages
Print Icon
To Next Page IconTo Next Page
To Next Page IconTo Next Page
To Previous Page IconTo Previous Page
To Previous Page IconTo Previous Page
Loading...
23
Figure 21: FP-90

Table of Contents

Related product manuals