EasyManua.ls Logo

Fishman SA330x - Block Diagram

Fishman SA330x
16 pages
Print Icon
To Next Page IconTo Next Page
To Next Page IconTo Next Page
To Previous Page IconTo Previous Page
To Previous Page IconTo Previous Page
Loading...
14
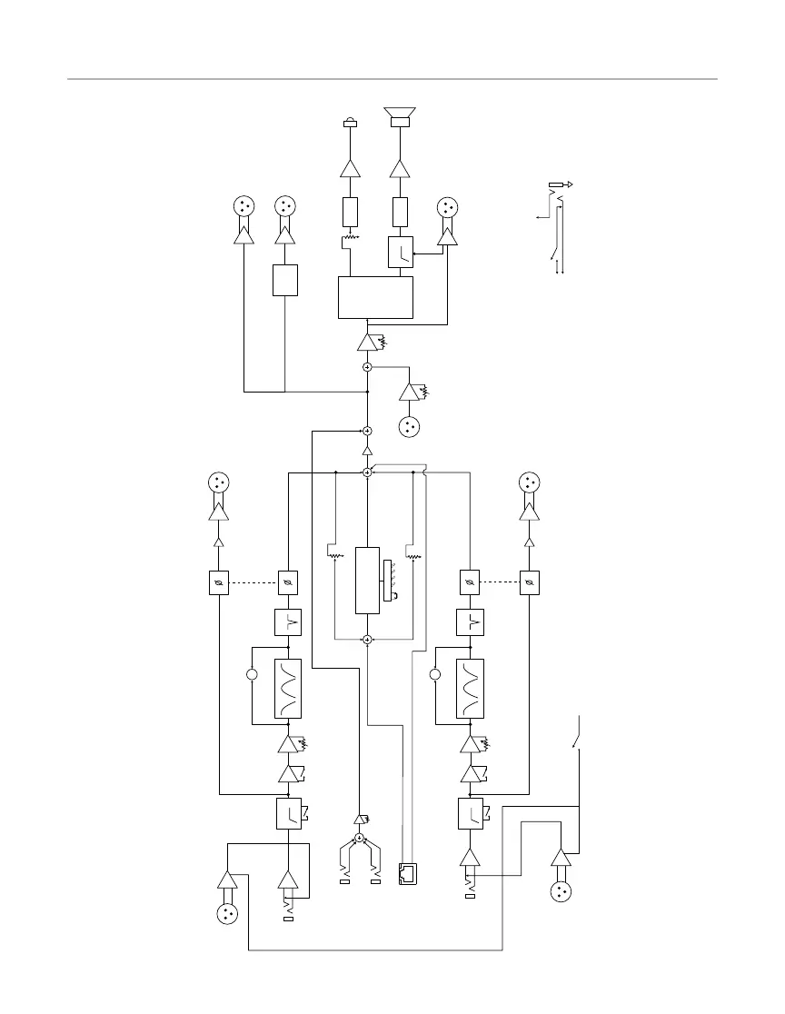
CROSSOVER
HI
LOW
TWEETER LEVEL
-6dB to 0dB
POWER
AMPLIFIERS
LIMITER
HI-PASS
71Hz/100Hz
LIMITER
CHANNEL
MUTE
15dB
PAD
POST MIX
D.I. OUTPUT
MONITOR OUT
DIGITAL REVERB
CH. 2 REVERB
LEVEL
CH. 1 REVERB
LEVEL
REVERB
SELECT
CHANNEL
MUTE
MUTE
(FRONT PANEL)
MUTE
FOOT SWITCH
JACK
MUTED WHEN CONTACT CLOSED.
FOOT SWITCH JACK OVERRIDES FRONT PANEL SWITCH.
CAPABLE OF DRIVING A FOOT SWITCH WITH LED INDICATORS.
RING
REVERB
MUTE
TIP
TIP = LEFT
RING = RIGHT
AUX INPUTS
1/4”
AUX
LEVEL
1/8”
PHANTOM POWER
ACCESSORY
PORT
+48V
CH. 2 PHASE
CH. 2 BALANCED
D.I. OUTPUT
CH. 2 MIC
INPUT
MIC PREAMP
+18dB
INPUT
BUFFER
HI-PASS
30/80Hz
1/4” IN Ch. 2
CH. 1 BALANCED
D.I. OUTPUT
CH. 1 PHASE
32dB
-12dB
GAIN
NOTCH
LOW, MID, HIGH
HI-PASS
30/80Hz
CLIP LED
CH. 1 MIC
INPUT
MIC PREAMP
+18dB
INPUT
BUFFER
1/4” IN Ch. 1
Pad
Low Cut
Low Cut
Ch. 1
Gain
GAIN
32dB
-12dB
GAIN
Pad
Ch. 2
Gain
GAIN
NOTCH
LOW, MID, HIGH
CLIP LED
REVERB SEND
AUDIO MIX
1 2 3 4
MASTER
VOLUME
MONITOR
LEVEL
CHANNEL
MUTE
CHANNEL
MUTE
MONITOR
INPUT
SUB OUT
Block Diagram

Related product manuals