EasyManua.ls Logo

FläktGroup ACJB - Unit with Water Heater

FläktGroup ACJB
16 pages
Print Icon
To Next Page IconTo Next Page
To Next Page IconTo Next Page
To Previous Page IconTo Previous Page
To Previous Page IconTo Previous Page
Loading...
Air Heating unit ACJB - Technical manual
9
FläktGroup DC_9170GB_20190117_R2
We reserve the right to make changes without prior notice
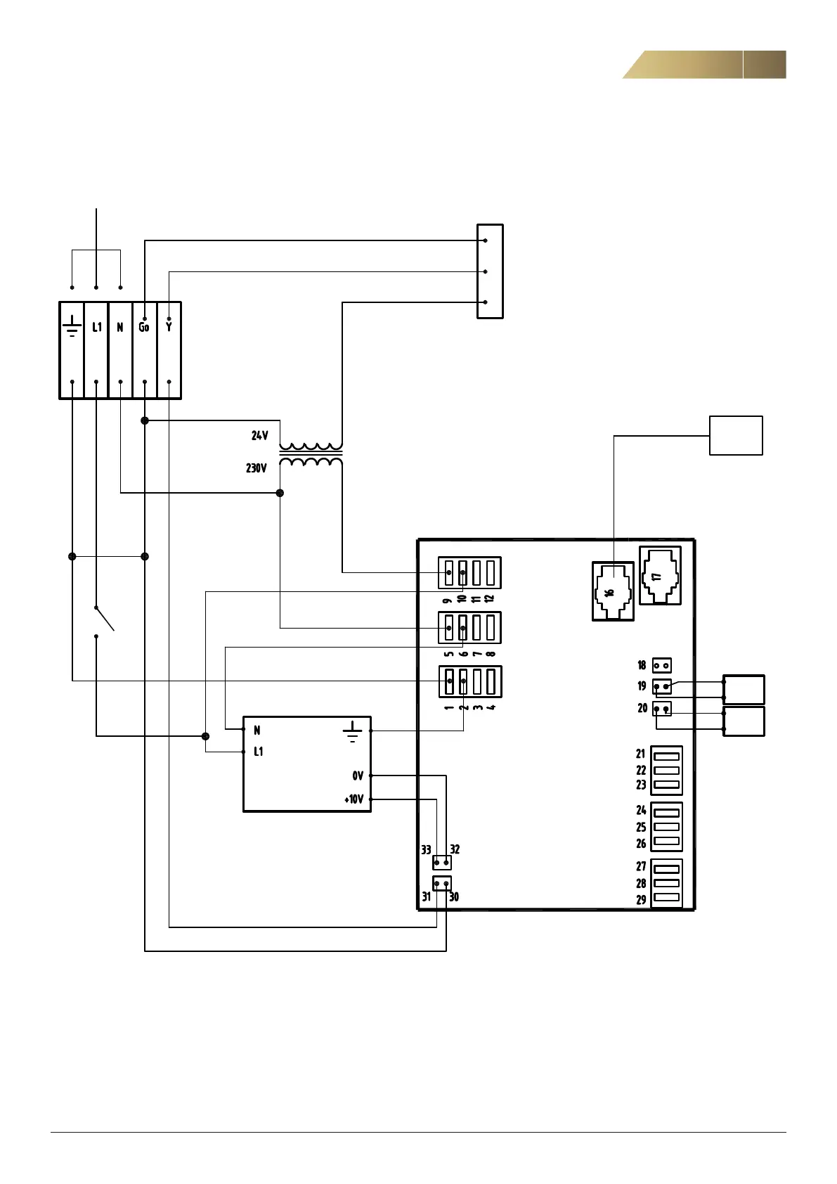
UNIT WITH WATER HEATING
CONNECTION DIAGRAMS, CONT’D.
Control panel
Return
air
Supply
air
GT
OK
1
TR 1
GT
Fan
Power supply
Valve
Blue
Red
Brown
Figure 10.