EasyManua.ls Logo

Flightcom 403 - Page 6

Flightcom 403
20 pages
Print Icon
To Next Page IconTo Next Page
To Next Page IconTo Next Page
To Previous Page IconTo Previous Page
To Previous Page IconTo Previous Page
Loading...
CIRCUIT
BREAKE R
PTT
7
PILOT
MIC
7
2
13
9
HDPH
PTT
6
CO-PILOT
HDPHMIC
MIC
13
HDPH HDPHMIC
MIC
13
HDPH HDPHMIC
11
13
16
14
13
PASSENGERS
11
15
4
11
11
11
13
63
POWER
12-28V
1AMP
AVIONICS GROUND
TRANSMIT KEYLINE
RECEIVE AUDIO
TRANSMIT AUDIO
MUSIC SOURCE
LEFT
RIGHT
AUX INPUT
18
19
AUX
OUT
10
12
12
12
12
12
5
PTT
5
NAVIGATOR
RED
BROWN
ORANGE
YELLOW
BLACK
24
22
23
25
AMBER
START
RECORD
PLAY
RED
47k
47k
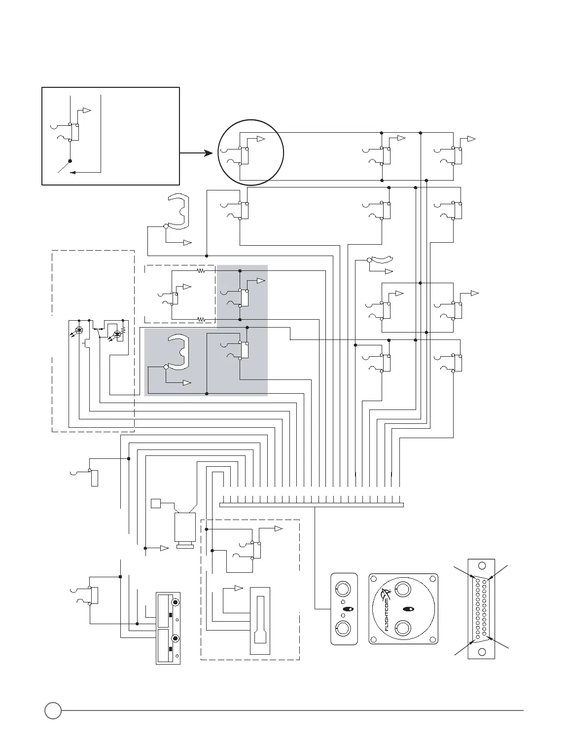
You must install a switch per drawing
above at each headphone station if
you want both stereo AND monaural
capability. If a monaural headphone
is to be used, switch that station to
MONO mode. If you don't, the entire
system will not operate properly and a
warning tone may sound. Switches
and mounting plates for six(6) stations
are included with the 403 and 403d
OPTIONAL
13
OPTIONAL
DCR
Control
Panel
and
Switch
Assembly
18
19
20
1
17
21
8
22
23
24
25
7
2
10
9
6
3
14
5
4
13
11
12
16
15
ICS
Isolate
FLIG HTCOM 403
Sq Vol
Optional
SMALL Panel
MIC
HDPH
CONNECTIONS TO EXISTING
JACKS
AIRCRAFT RADIO
403
HDPH
TIP
RING
BARREL
STEREO
MONO
FLIGHTCOM 403
Intercom
ICS
Squelch
INTERCOM
Isolate
Volume
Rear view (Solder Terminal Side)
of 25 pin D-sub plu
g
(male Pins)
13
25
14
1
403d Option
intercoms.
Figure 6 - Connection Schematic - Mono Mode
NOTES: Isolate all mic jacks from airframe.
Figure 6 - Connection Schematic - Stereo Mode
4

Related product manuals