EasyManua.ls Logo

Flott BSM 75 - Page 25

Default Icon
Print Icon
To Next Page IconTo Next Page
To Next Page IconTo Next Page
To Previous Page IconTo Previous Page
To Previous Page IconTo Previous Page
Loading...
370542 D/GB
24
GB
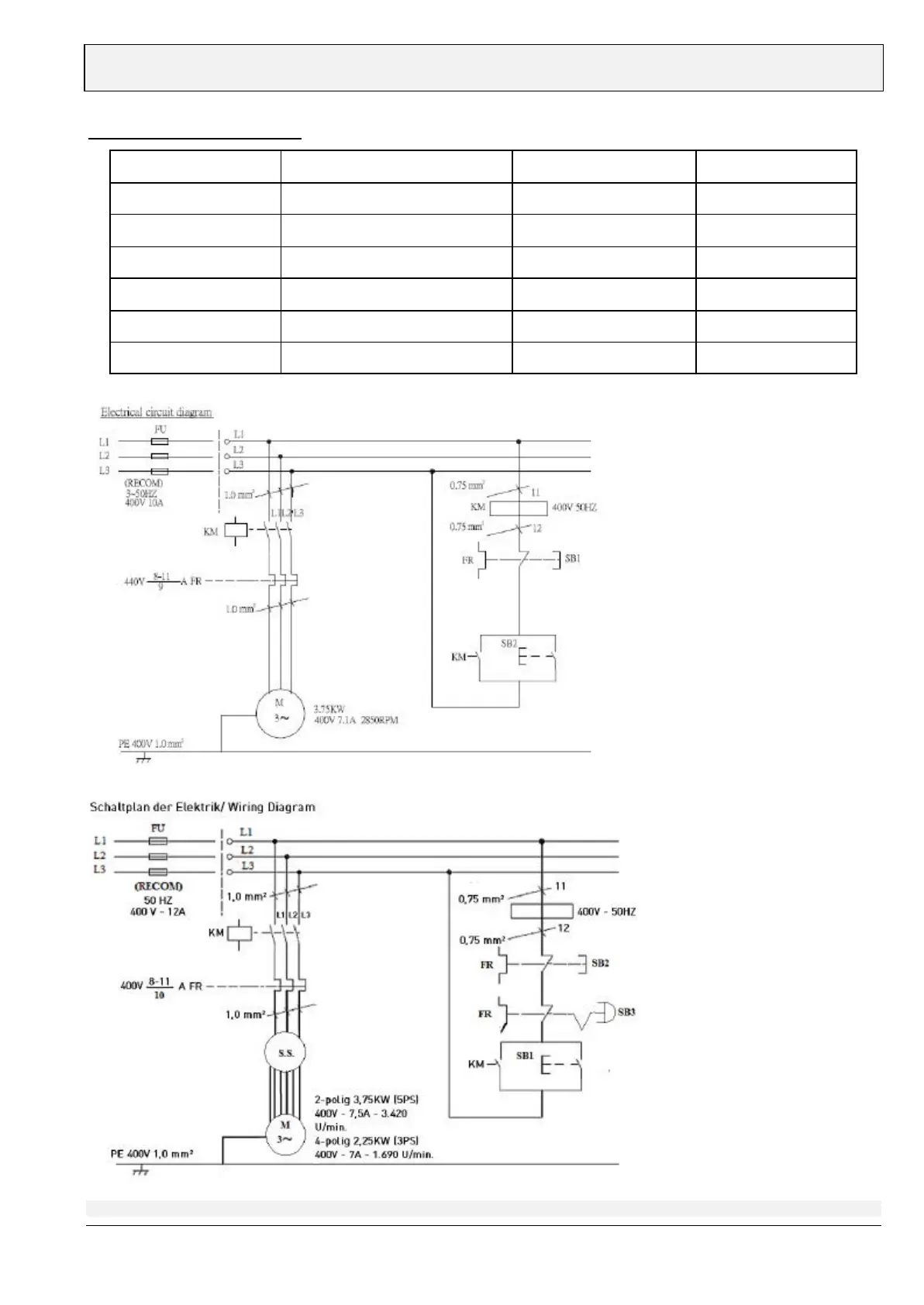
Electric component parts list
Item Designation Description & Function Technical Data Quantity
KM Contactor-Relay Coil 400 Vac, 10A 1
SB2 Push button-On 1<<a>>, green 1
SB1 Push button-Off 1<<b>>, red 1
FR Overload Protection 1
Supply Cable 1
M Motor 1

Related product manuals