EasyManua.ls Logo

Fluke PRO3000 - Page 9

Fluke PRO3000
62 pages
Print Icon
To Next Page IconTo Next Page
To Next Page IconTo Next Page
To Previous Page IconTo Previous Page
To Previous Page IconTo Previous Page
Loading...
5
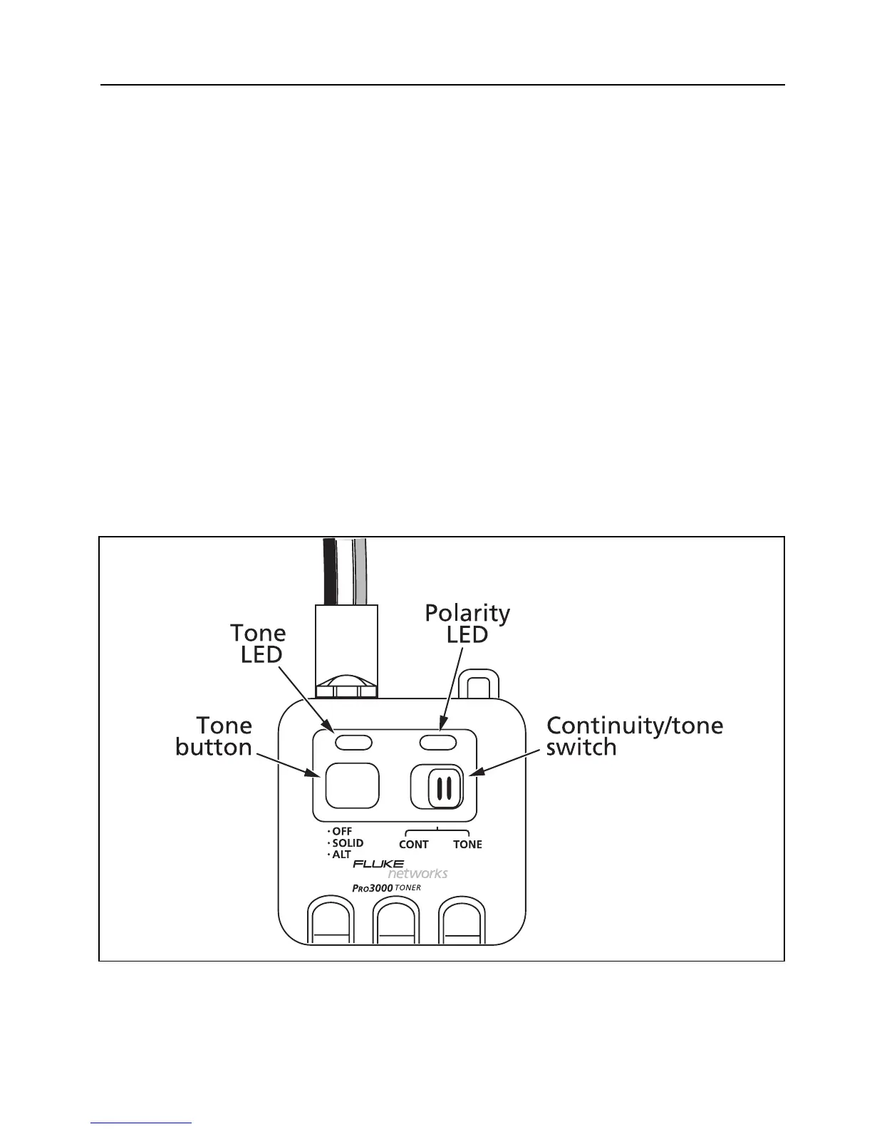
The PRO3000 Toner
The polarity/continuity LED is just above the toner's slide switch. The
function of this LED depends on the toner's mode:
In continuity mode, it is a single-color LED (red), which indicates
whether or not there is continuity.
In polarity mode, it is a dual-color LED (red and green), which
indicates the polarity of a DC- powered pair of wires (e.g., a
telephone line).
The toner can drive up to 10 miles (16 km) of 24 AWG twisted pair.
Note
To preserve the 9 V battery, turn the toner off and put the
slide switch in the TONE position when the toner is not in
use.
bff02.eps
Figure 2. PRO3000 Toner