EasyManua.ls Logo

Flytec 5030 GPS - Page 3

Flytec 5030 GPS
53 pages
Print Icon
To Next Page IconTo Next Page
To Next Page IconTo Next Page
To Previous Page IconTo Previous Page
To Previous Page IconTo Previous Page
Loading...
Flytec 5030 GPS
S
d-Diff
Alt 2Alt a.BG
Dist to WP
Page3
Dist to WP
Alt a.WP
Alt a.BGFli
g
httime
Time
T em
p
Page2
0 Bat. 3.57V 12h
4
3
2
1
m/s
1
2
3
4
70
60
50
40
30
L/D
g
nd
Alt 2
Alt a.BGFli
g
httime
Time
m
+
INT
0 Bat. 3.57V 12h
4
32
1
m/s
1
2 3
4
70
60
50
40
30
L/D
g
nd
Alt 2
Alt a.BGFli
g
httime
T
ime
T
em
p
m
+
INT
T em
p
Page 1
Selection of
user def.
fields
Selection of
user def. fields
function
McCready
On / Off
Sinkalarm
Sinkaudio On / Off
Enter
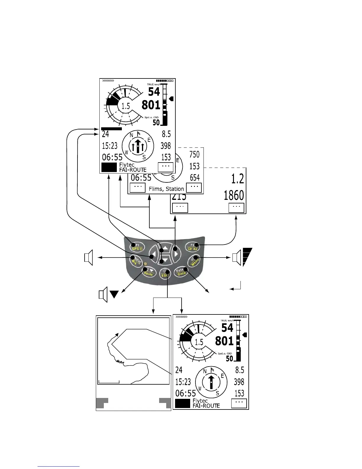
5030 Display and Audio functions
Soft key F1
Soft key F2
Switch of the
user def. pages
Switch between Vario page and Map page
P1
0%
25%
50%
75%
100%
Fghkiksa
+
Xyyzzzabc
+
Blyunu
+
11.9
Vario
A
ltitude
Speed
1.3
2873 45
Zoom Zoom
Out In.
3/53

Table of Contents

Related product manuals