EasyManua.ls Logo

FlyTech POS 8000 - Page 40

FlyTech POS 8000
44 pages
Print Icon
To Next Page IconTo Next Page
To Next Page IconTo Next Page
To Previous Page IconTo Previous Page
To Previous Page IconTo Previous Page
Loading...
32
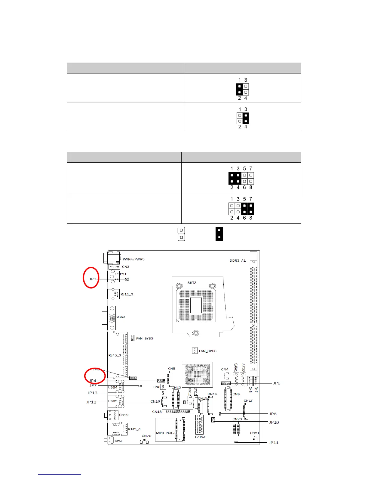
6-3-3 Jumper Settings
Cash Drawer Power Setting
Function JP3 (1-2) (3-4)
19V/24V
12V
System Indicator
Function JP4 (1-2) (3-4) (5-6) (7-8)
Disable
Enable
= Manufacturer Default Setting OPEN SHORT