EasyManua.ls Logo

FMC Technologies FMC L06 - Component Parts Identification

FMC Technologies FMC L06
65 pages
Print Icon
To Next Page IconTo Next Page
To Next Page IconTo Next Page
To Previous Page IconTo Previous Page
To Previous Page IconTo Previous Page
Loading...
Doc No: OMM50000903
Rev: B Page 19 of 65
Subject to contractual terms and conditions to the contrary, this document and all the information contained herein are the confidential and exclusive
property of FMC Technologies, and may not be reproduced, disclosed, or made public in any manner prior to express written authorization by FMC.
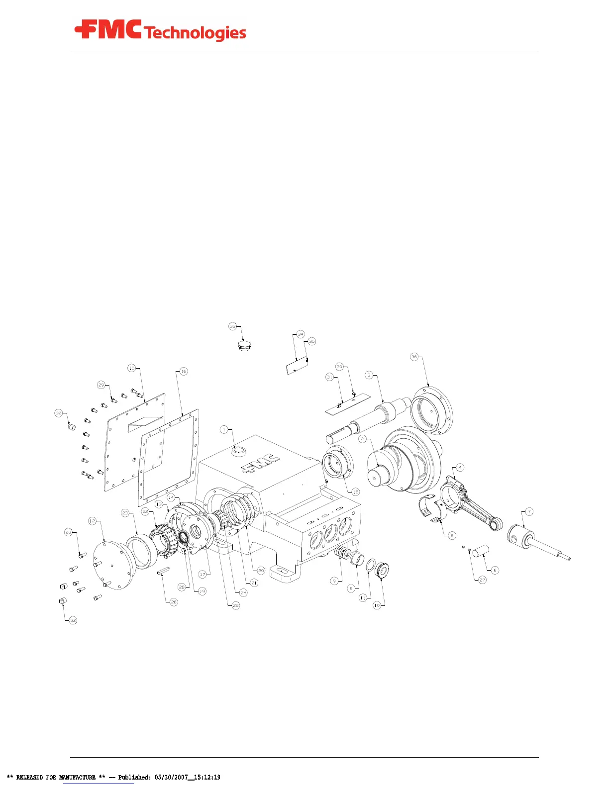
9.0 Component Parts List
A typical pump configuration is shown below for general reference purposes. This will
aid in identifying components for service procedures outlined in the following sections.
Each size “L” series pump may have a slightly different appearance. The Industrial
Pump models have a pinion shaft for internal gear reduction. Some of the “HD” series
and other models may be configured without the pinion shaft and may have a mount
face for a hydraulic motor.
The “HV” series will use AR valves and occasionally ball valves with fluid cylinders sized
for these valves. Therefore, actual pumps supplied by FMC may use different
components or may be configured differently than illustrated.
To order service parts or see exact component configurations for your particular pump,
refer to the cross-section parts drawing in the literature kit supplied with the pump.
Contact your local FMC pump distributor or FMC if you do not have this information.
Figure 3: Power End Components

Table of Contents

Related product manuals