EasyManua.ls Logo

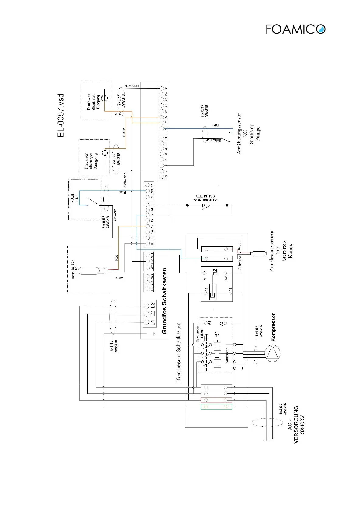
FOAMICO MO 0145-4 - Electrical diagram

Default Icon
37 pages
Print Icon
To Next Page IconTo Next Page
To Next Page IconTo Next Page
To Previous Page IconTo Previous Page
To Previous Page IconTo Previous Page
Loading...
32 MO 0145-4 NEXT 701613-18_UK 15-04-2019
10 Electrical diagram

Table of Contents