EasyManua.ls Logo

Fortin 19081 - Page 3

Fortin 19081
6 pages
Print Icon
To Next Page IconTo Next Page
To Next Page IconTo Next Page
To Previous Page IconTo Previous Page
To Previous Page IconTo Previous Page
Loading...
Yellow
In A1
Purple
Out A2
Purple/White
Out A3
Green
Out A4
White
Out A5
Orange
Out A6
Orange/Black
Out A7
Dk.Blue
Out A8
Red/Blue
In A9
Lt.Blue/Black
In/ Out A10
Black
In A11
Pink
Out A12
Yellow/Black
Out A13
Brown/White
In A14
Pink/Black
In A15
Purple/Yellow
In /Out A16
Green/White
In /Out A17
Green/Red
In /Out A18
White/Black
Out A19
Lt.Blue
In /Out A20
C5
Brown
C4
Gray/Black
C3
Gray
C2
Orange/Brown
C1
Orange/Green
D6
White/Red
D5
White/Blue
D4
White/Green
D3
Yellow/Red
D2
Yellow/Blue
D1
Yellow/Green
White
Out E1
Orange
Out E2
Red
In E3
Black
In E4
Pink
In/ Out E5
Yellow
Out E6
This guide may change without notice. See www.fortin.ca for latest version.
Ce guide peut faire l’objet de changement sans préavis. Voir www.fortin.ca pour la récente version.
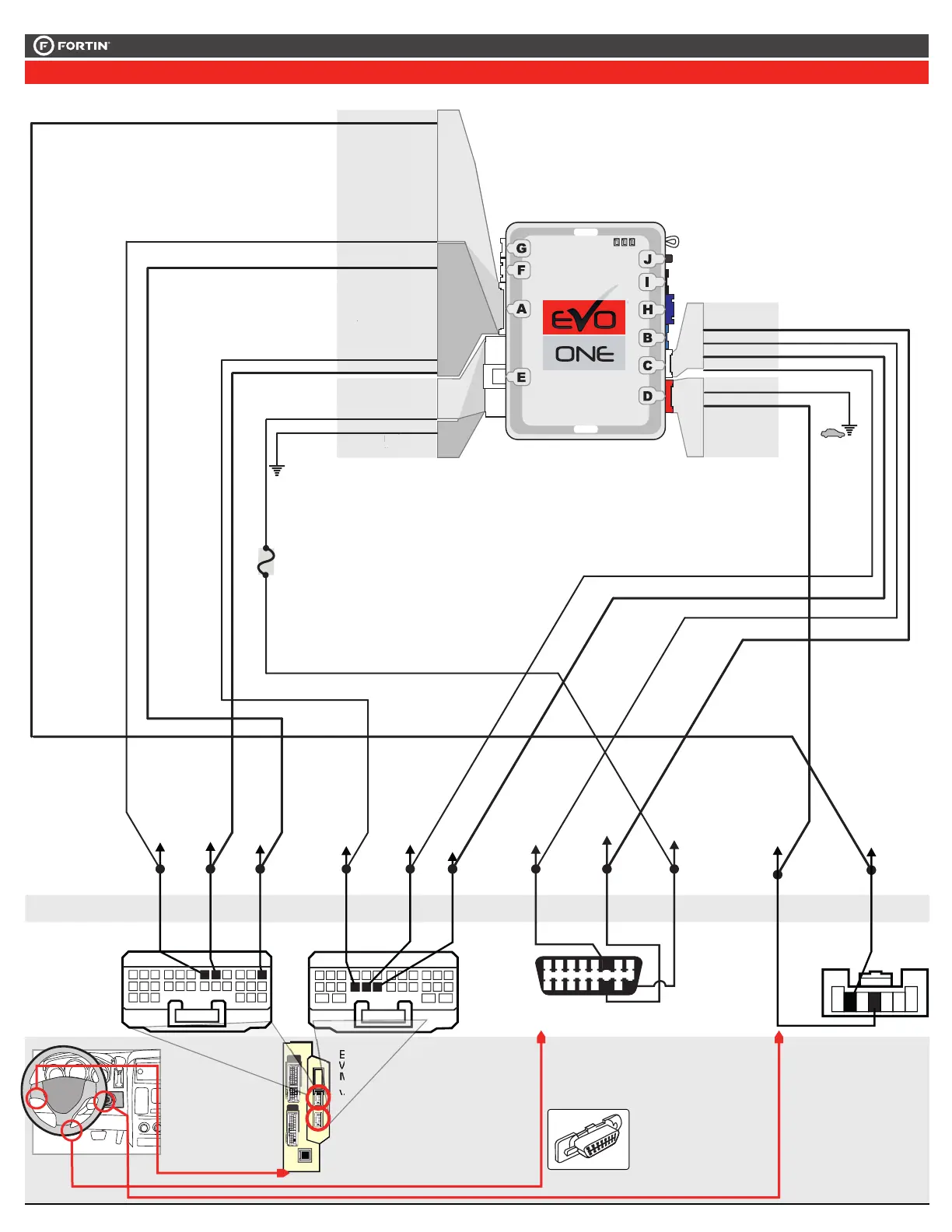
WIRING CONNECTION | GUIDE DE BRANCHEMENTS
Yellow/Green
Yellow/Blue
Yellow/Red
White/Green
Brown
Yellow
Pink
Orange
White
Green/Red
Green/White
Purple/Yellow
Pink/Black
Brown/White
Yellow/Black
Black
Red/Blue
Dk.Blue
Orange/Black
Orange
White
Green
Purple/White
Purple
18
17 24
23
2221
2019
7
21
28
27
26
25
3 4
6
5
1615
14
13
1211
1098
Back view -
7-Pin White connector
Steering Lock Connector
Vue de dos -
Connecteur 7-Pins Blanc
Connecteur Steering Lock
OBD-II connector
Front view
Connecteur OBD-II
Vue de face
A1
C4C3
CAN1 High CAN1 Low (+)12V
(+)Ignition
(-)Parking
Lights
TX
E3A12
A20
A10
D5
RX
(-)Steering
Lock
181716
65
4
151413
242322
121110
212019
987
321
302928272625
1
2
3
4
5
6
7
Black White Black Green
White
Blue Black
GS350
GS450h*
CAN2
HIGH
CAN2
LOW
C2
C1
GreyRed
Yellow
Back view - 28-Pin
White connector
Main body ECU
Vue de dos -
28-Pins
Connecteur Blanc
Main body ECU
(-)Trunk
Release
Yellow
A19
(-) Parking
(+) 12V
Ground
(+) Ignion
NO1
COMM1
CAN 1 HIGH
CAN 1 LOW
(-) Trunk Release
CAN 2 LOW
CAN 2 HIGH
(+/-) Data1
(+/-) Data2
GROUND
Back view - 30-Pin
White connector
Main body ECU
Vue de dos -
30-Pins
Connecteur Blanc
Main body ECU
16
1
9
10
2 3 4 5
11 12 13
7 8
15
6
14
16
Page 3 / 6

Related product manuals