EasyManua.ls Logo

Fostex A-8 - Page 96

Fostex A-8
100 pages
Print Icon
To Next Page IconTo Next Page
To Next Page IconTo Next Page
To Previous Page IconTo Previous Page
To Previous Page IconTo Previous Page
Loading...
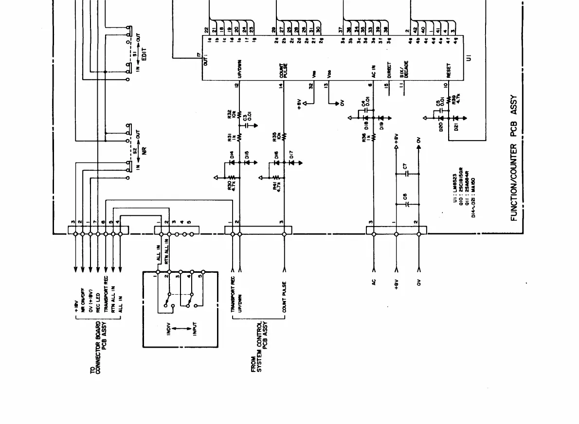
FUNCTION/COUNTER
PCB
ASSY

Related product manuals