EasyManua.ls Logo

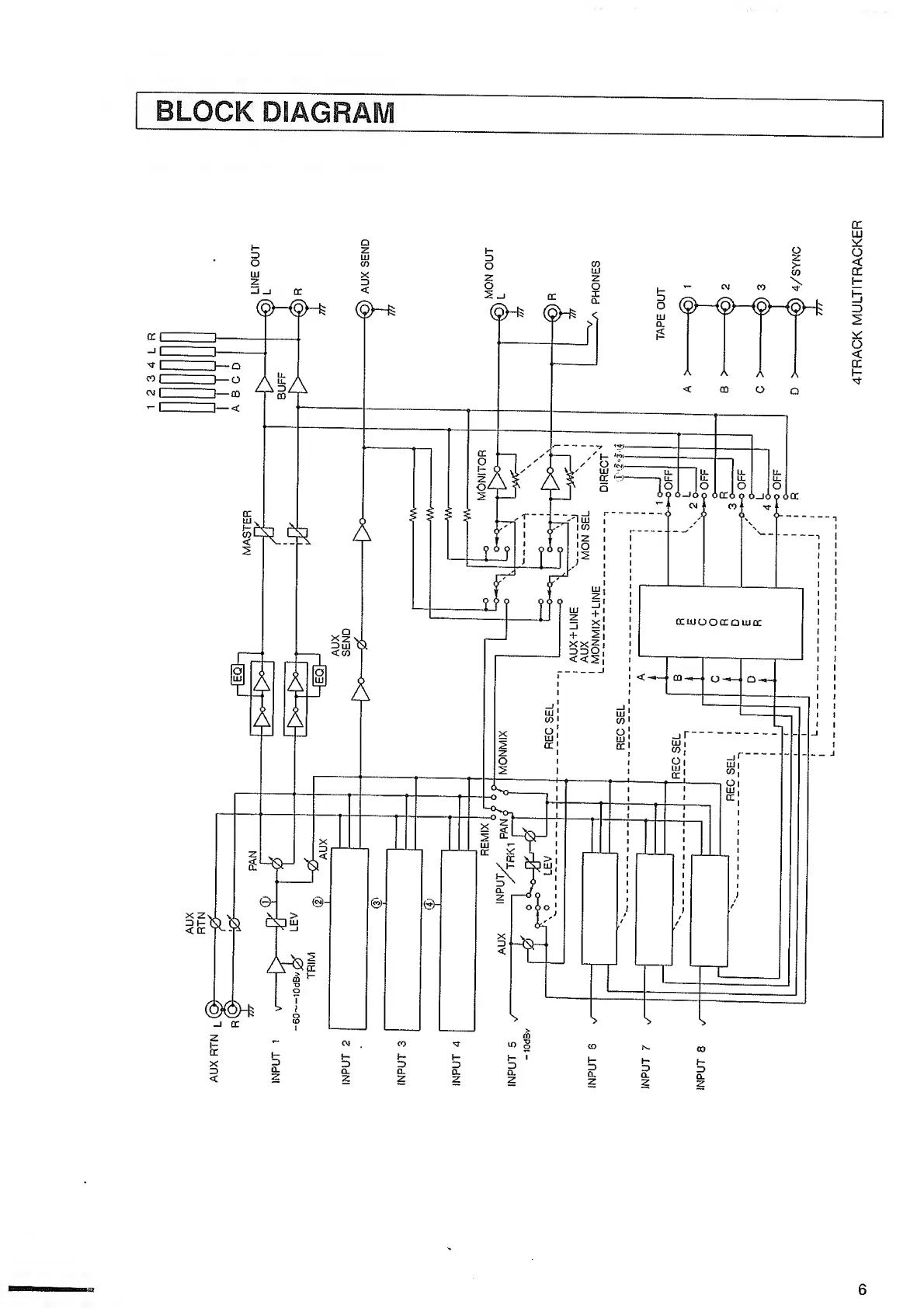
Fostex X-28H - System Overview and Panel Layout

Fostex X-28H
36 pages
Print Icon
To Next Page IconTo Next Page
To Next Page IconTo Next Page
To Previous Page IconTo Previous Page
To Previous Page IconTo Previous Page
Loading...
AUX
RTN
6
4TRACK
MULTITRACKER

Related product manuals