EasyManua.ls Logo

FoxESS EPS Box-TP - Page 7

FoxESS EPS Box-TP
16 pages
Print Icon
To Next Page IconTo Next Page
To Next Page IconTo Next Page
To Previous Page IconTo Previous Page
To Previous Page IconTo Previous Page
Loading...
EPS Box-TP Series User Manual www.fox-ess.com P a g e | 3
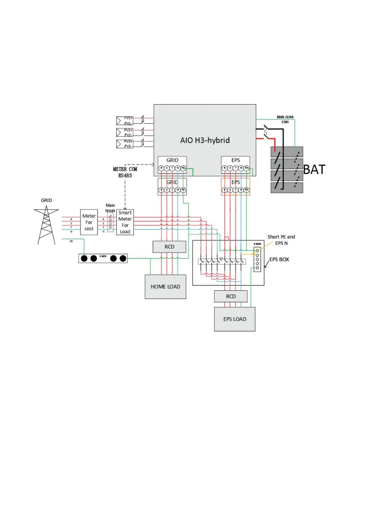
This diagram is an example for an application in which neutral is separated from the PE in the distribution box.
For countries such as China, Germany, the Czech Republic, Italy, etc, please follow local wiring regulations.Need internal
or external eps box, connect PE and the off-grid N line.