EasyManua.ls Logo

Freddy Superminor - 3 kW Superminor Circuits

Freddy Superminor
39 pages
Print Icon
To Next Page IconTo Next Page
To Next Page IconTo Next Page
To Previous Page IconTo Previous Page
To Previous Page IconTo Previous Page
Loading...
FPQ41 Superminor Issue 1 35
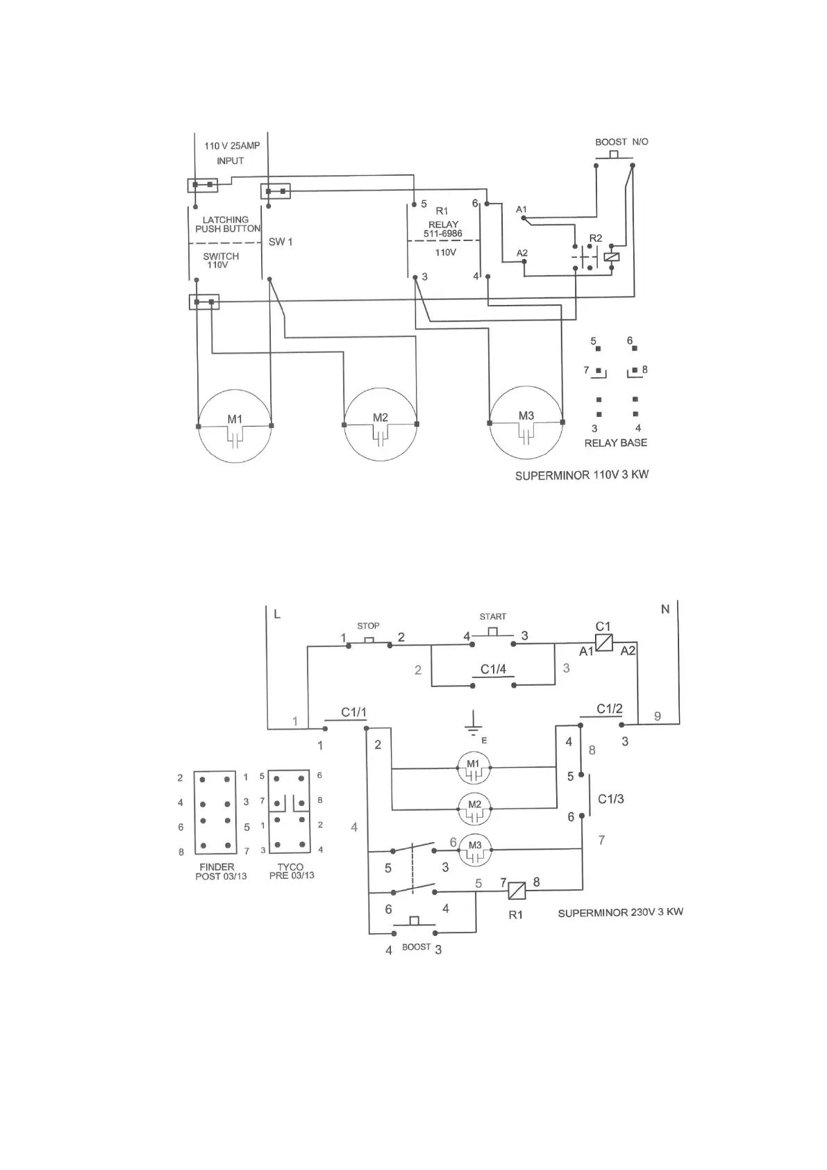
Figure 9-3: Superminor 110 Vac / 3 kW
Figure 9-4: Superminor 230 Vac / 3kW