EasyManua.ls Logo

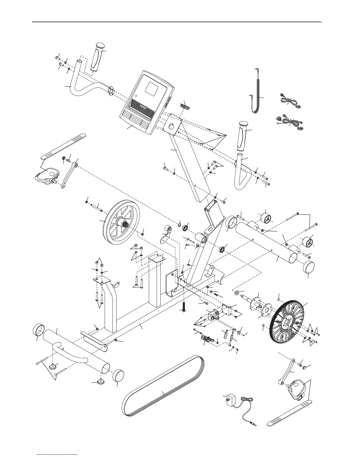
Freemotion XTc - Exploded View Diagram A; Assembly Breakdown Diagram A

Freemotion XTc
24 pages
Print Icon
To Next Page IconTo Next Page
To Next Page IconTo Next Page
To Previous Page IconTo Previous Page
To Previous Page IconTo Previous Page
Loading...
22
51
46
33
31
33
24
28
92
22
23
21
32
92
17
17
48
48
19
19
48
48
16
15
47
64
1
79
4
7
20
49
49
50
67
67
67
91
91
91
91
65
45
66
91
65
66
78
78
50
2
80
99
93
93
93
93
93
93
93
93
93
99
80
77
30
29
30
98
36
93
93
67
93
67
93
77
34
35
39
38
37
100
53
69
95
95
106
90
103
104
107
87
61
68
101
102
105
42
43
58
67
67
EXPLODED DRAWING A—Model No. SFEX13809.0 R1013A

Related product manuals