EasyManua.ls Logo

Frick QUANTUM LX Control Panel - Page 52

Frick QUANTUM LX Control Panel
64 pages
Print Icon
To Next Page IconTo Next Page
To Next Page IconTo Next Page
To Previous Page IconTo Previous Page
To Previous Page IconTo Previous Page
Loading...
QUANTUM
LX EVAPORATOR CONTROL PANEL
MAINTENANCE
090.610-M (MAY 2016)
Page 52
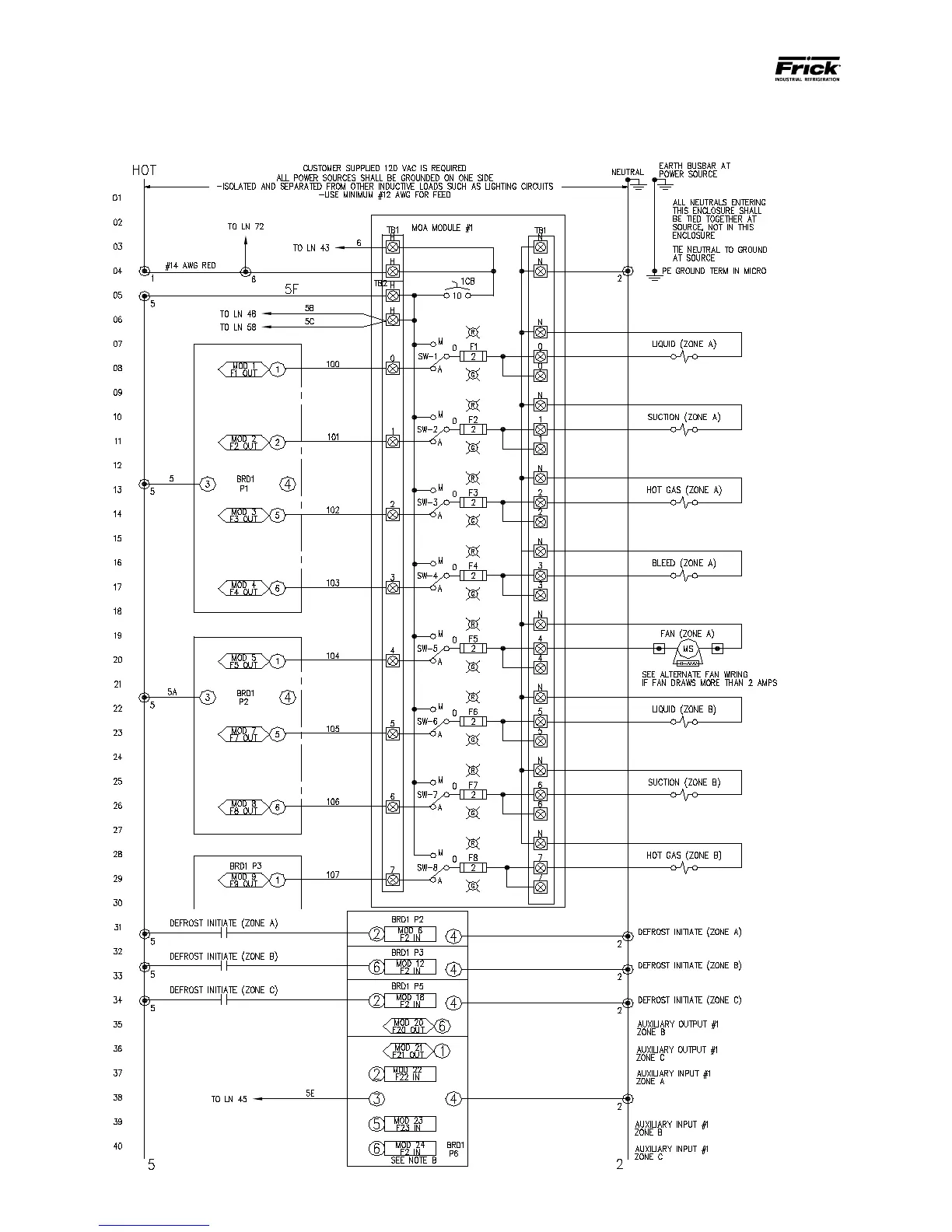
WIRING DIAGRAMS
Digital Inputs/Outputs (Page 1 of 3)

Related product manuals