EasyManua.ls Logo

Frico Tiger - Wiring Diagrams; Tiger 2; 3 kW 230 V~ Wiring; Tiger 5 kW 230 V~ Wiring; Tiger 15 kW 230 V3~;400 V3~ Wiring

Frico Tiger
10 pages
Print Icon
To Next Page IconTo Next Page
To Next Page IconTo Next Page
To Previous Page IconTo Previous Page
To Previous Page IconTo Previous Page
Loading...
Wiring diagrams
3
Tiger 2-15 kW
2
2
1
1
2a
2a
1a
1a
°C
°C
°C
°C
2
2
1
1
2kW
2kW
3kW
3kW
3kW
3kW
2 kW
2 kW
M
M
LN
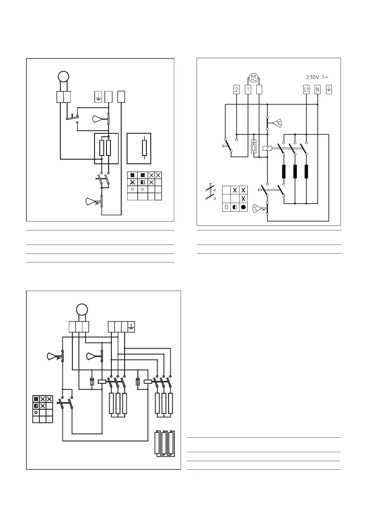
Tiger 2 / 3 kW 230V~
230V~
2
1
°C
M
2
1
LL L
123
Tiger 15 kW 230V3~/400V3~
400V 3~ / 230V 3~
12
400V 3~
230V 3~
400V 3~
°C
Tiger 5 kW 230V~
Item
number
Type Cable IEC60309
271734 TIG21 4G1,5x1,8m CEE7
271737 TIG31 3G1,5x1,8m CEE7
Item
number
Type Cable IEC60309
271752 TIG153-0 400V3~ 4G4x1,8m CP 432-6
271753 TIG15323 230V3~ 4G10x1,8m -
Item
number
Type Cable IEC60309
271742 TIG51 3G2,5x1,8m -

Related product manuals