EasyManua.ls Logo

Friedrich MC24Y3F - Page 10

Friedrich MC24Y3F
25 pages
Print Icon
To Next Page IconTo Next Page
To Next Page IconTo Next Page
To Previous Page IconTo Previous Page
To Previous Page IconTo Previous Page
Loading...
600/450V x 4
2006.05.25 9
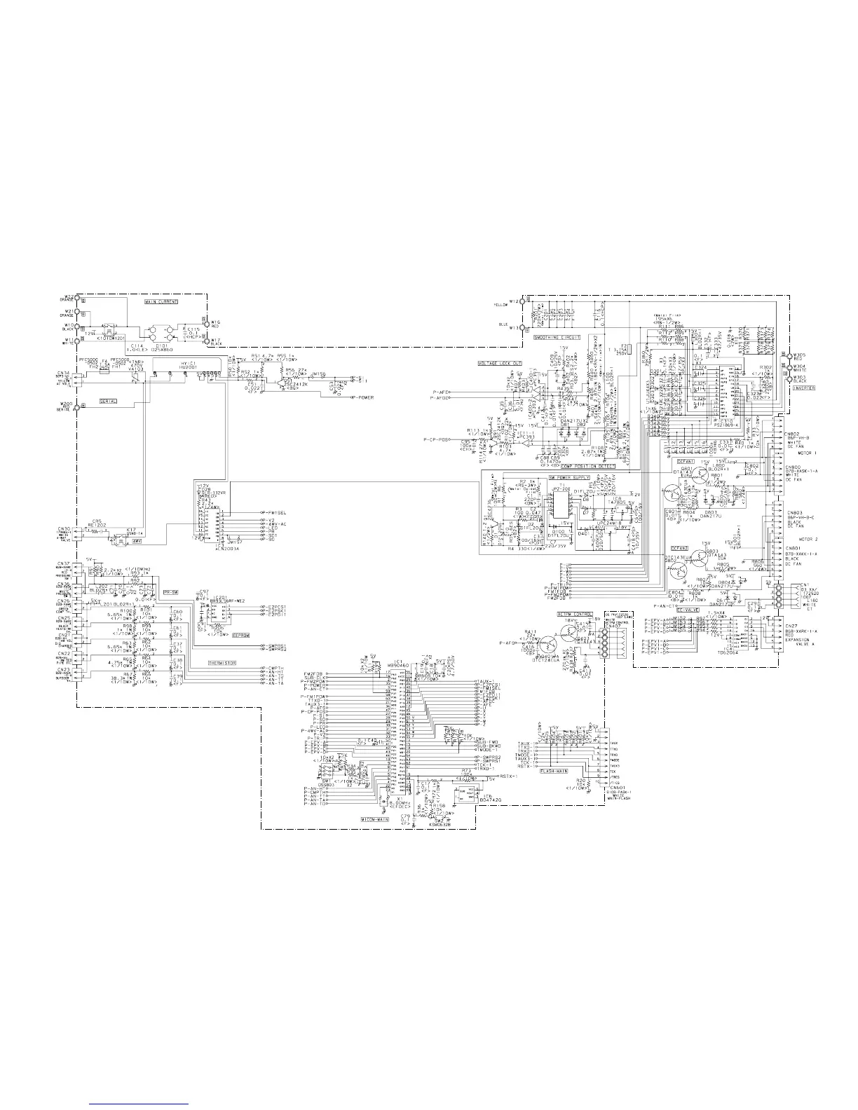
CONTROLLER PCB ASSEMBLY
K04AW-0502HUE-C1
Model : MR24UY3F

Related product manuals