EasyManua.ls Logo

Friedrich MR18C3E - Page 6

Friedrich MR18C3E
40 pages
Print Icon
To Next Page IconTo Next Page
To Next Page IconTo Next Page
To Previous Page IconTo Previous Page
To Previous Page IconTo Previous Page
Loading...
2003.08.27 - 5 -
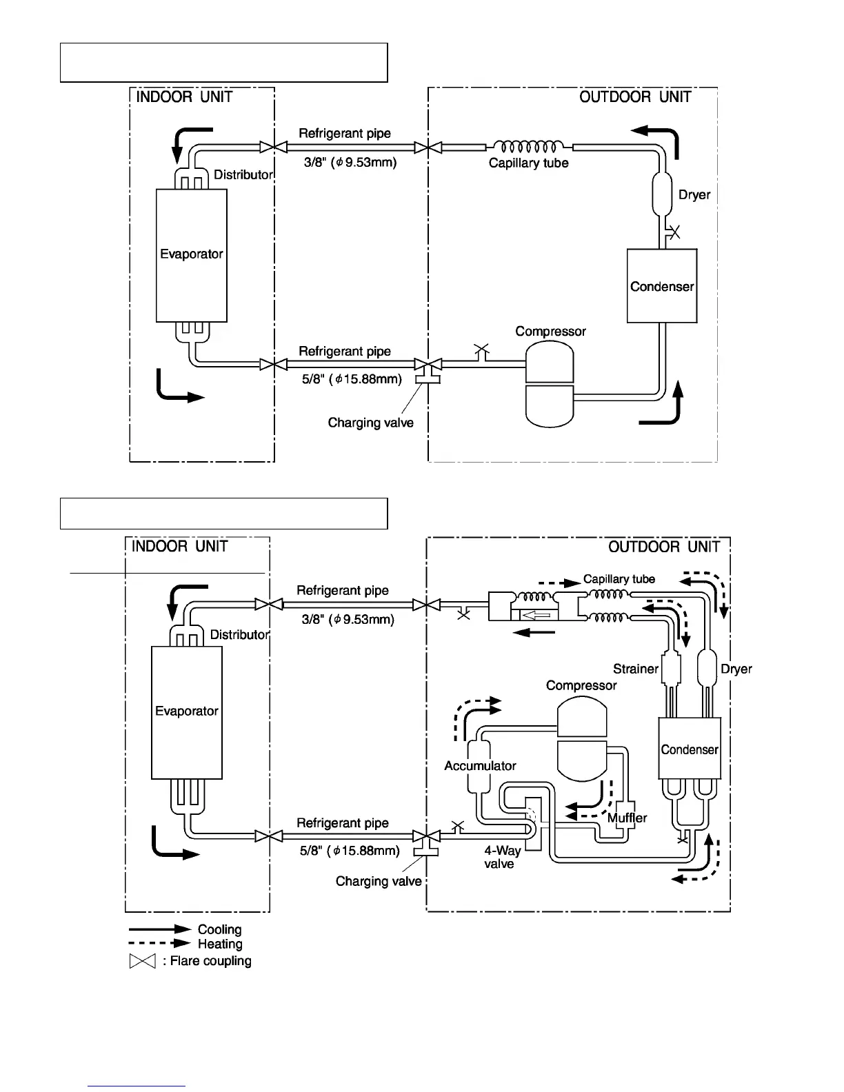
Models : ASU24R1 / AOU24R1
Models: MW24Y3E / MR24Y3E
Models: MW24C3E / MR24C3E

Related product manuals