EasyManua.ls Logo

Friedrich MR18C3E - Page 9

Friedrich MR18C3E
40 pages
Print Icon
To Next Page IconTo Next Page
To Next Page IconTo Next Page
To Previous Page IconTo Previous Page
To Previous Page IconTo Previous Page
Loading...
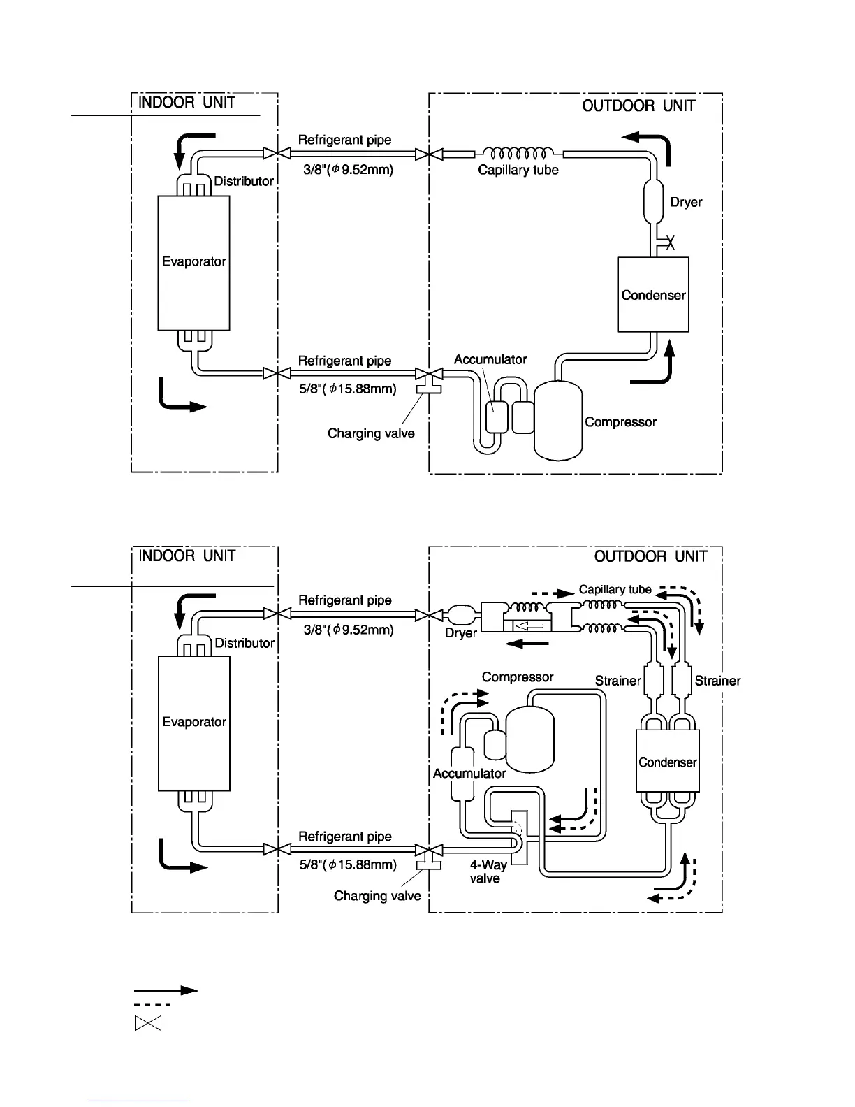
2003.08.27 - 8 -
Models : MW24C3E / MR24C3E-A
Models : MW24Y3E / MR24Y3E-A
Cooling
Heating
: Flare coupling

Related product manuals