EasyManua.ls Logo

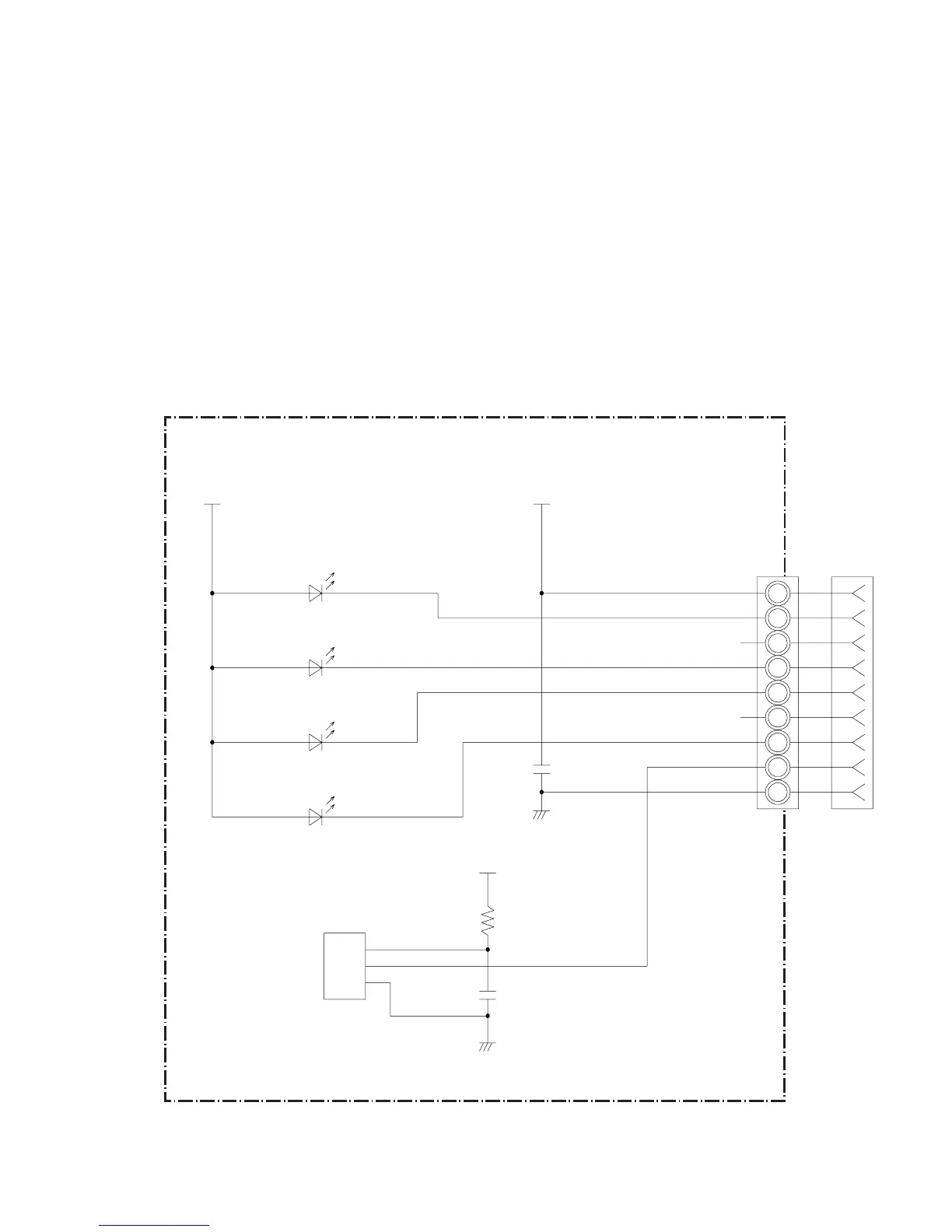
Friedrich MW18Y3F - Indicator PCB Assembly

Friedrich MW18Y3F
18 pages
Print Icon
To Next Page IconTo Next Page
To Next Page IconTo Next Page
To Previous Page IconTo Previous Page
To Previous Page IconTo Previous Page
Loading...
72006.02.20
+
5V
C201
0.1
<F>
R201
47
<1/4W>
C202
47/
10V
I C201
GP1UM261R
5V5V
CN201
1
1
1
1
2
2
2
2
2
1
3
VCC
OUT
GND
D206 SLR-325
D204 SLR-325
D203 SLR-325
D201 SLR-325
1
6
8
7
5
4
3
2
9
INDICATOR PCB ASSY
K03DV-0400WSE-D0
Model : MW18Y3F

Related product manuals